Product Summary
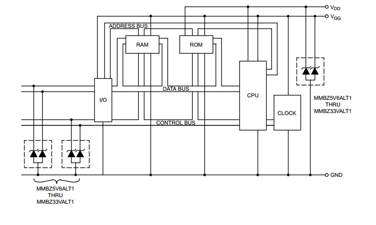
The MMBZ5V6ALT1G dual monolithic silicon Zener diode is designed for applications requiring transient overvoltage protection capability. It is intended for use in voltage and ESD sensitive equipment such as computers, printers, business machines, communication systems, medical equipment and other applications. The MMBZ5V6ALT1G is ideal for situations where board space is at a premium.
Parametrics
MMBZ5V6ALT1G absolute maximum ratings: (1)Peak Power Dissipation @ 1.0 ms: 24Watts; (2)Total Power Dissipation on FR−5 Board (Note 2)@ TA = 25°C: 225mW, Derate above 25°C: 225mW/°C; (3)Thermal Resistance Junction−to−Ambient: 556 °C/W; (4)Total Power Dissipation on Alumina Substrate @ TA = 25°C: 300mW, Derate above 25°C: 2.4mW/°C; (5)Thermal Resistance Junction−to−Ambient: 417 °C/W; (6)Junction and Storage Temperature Range TJ, Tstg: -55 to +150 °C; (7)Lead Solder Temperature -Maximum (10 Second Duration)TL: 260 °C.
Features
MMBZ5V6ALT1G features: (1)Pb−Free Packages are Available; (2)SOT−23 Package Allows Either Two Separate Unidirectional Configurations or a Single Bidirectional Configuration; (3)Working Peak Reverse Voltage Range - 3 V to 26 V; (4)Standard Zener Breakdown Voltage Range- 5.6 V to 33 V; (5)Peak Power- 24 or 40 Watts @ 1.0 ms (Unidirectional), per Figure 5 Waveform; (6)ESD Rating of Class N (exceeding 16 kV)per the Human Body Model; (7)Maximum Clamping Voltage @ Peak Pulse Current.
Diagrams

| Image | Part No | Mfg | Description | ![]() |
Pricing (USD) |
Quantity | ||||||||||||
|---|---|---|---|---|---|---|---|---|---|---|---|---|---|---|---|---|---|---|
![]() |
![]() MMBZ5V6ALT1G |
![]() ON Semiconductor |
![]() TVS Diode Arrays 5.6V 225mW Dual Common Anode |
![]() Data Sheet |
![]()
|
|
||||||||||||
| Image | Part No | Mfg | Description | ![]() |
Pricing (USD) |
Quantity | ||||||||||||
![]() |
![]() MMBZ10VAL |
![]() Other |
![]() |
![]() Data Sheet |
![]() Negotiable |
|
||||||||||||
![]() |
![]() MMBZ10VAL,215 |
![]() NXP Semiconductors |
![]() ESD Suppressors 1Ch 14.2V 1.7A |
![]() Data Sheet |
![]()
|
|
||||||||||||
![]() |
![]() MMBZ10VAL-7 |
![]() Diodes Inc. |
![]() TVS Diodes - Transient Voltage Suppressors 10V 225mW |
![]() Data Sheet |
![]() Negotiable |
|
||||||||||||
![]() |
![]() MMBZ10VAL-7-F |
![]() Diodes Inc. |
![]() TVS Diode Arrays 10V 225mW |
![]() Data Sheet |
![]()
|
|
||||||||||||
![]() |
![]() MMBZ12VAL,215 |
![]() NXP Semiconductors |
![]() ESD Suppressors Diode TVS Dual/Singl 8.5V 40W 3-Pin |
![]() Data Sheet |
![]()
|
|
||||||||||||
![]() |
![]() MMBZ12VALT1 |
![]() ON Semiconductor |
![]() TVS Diode Arrays 12V Dual Zener |
![]() Data Sheet |
![]() Negotiable |
|
||||||||||||
(Hong Kong)










