Product Summary
The PM52AUBX060 is a powerex intellimod intelligent power module. It is isolated base modules designed for power switching applications operating at frequencies to 20kHz. The PM52AUBX060 includes protection circuitry for the IGBT. Applications are (1)Front end for pulse amplitude modulation (PAM)motor control; (2)PFC (power factor correction).
Parametrics
PM52AUBX060 absolute maximum ratings: (1)Junction temperature Tj: –20 to 125 °C; (2)Storage temperature Tstg: –40 to 125 °C; (3)Case operating temperature (note 1)TC: –20 to 100 °C; (4)Mounting torque m4 mounting screws: 13 in-lb; (5)Module weight (typical): 50 Grams; (6)Output voltage VO: 370 Volts; (7)Isolation voltage, AC 1 minute, 60Hz sinusoidal VRMS: 2500 Volts.
Features
PM52AUBX060 features: (1)Variable DC output voltage control function; (2)Soft start function; (3)Protection logic: Output voltage repression; Output over voltage; Under voltage lockout; Over temperature; Short circuit current.
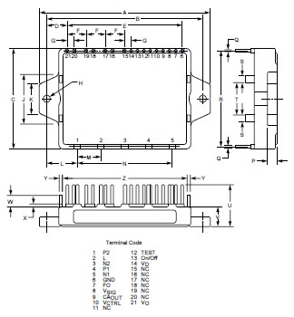
Diagrams

(Hong Kong)






