Product Summary
The MG150Q2YS11 is a transistor module. The MG150Q2YS11 is disigned for use in various types of motor control and other high power switching applications and consist of insulated type.
Parametrics
MG150Q2YS11 absolute maximum ratings: (1)Collector-emitter voltage, VCES: 1200V; (2)Collector current, DC, IC: 300A; 1ms, ICP: 600A; (3)Forward current, DC, IF: 150A; 1ms, IFM: 300A; (4)Collector power, PC: 900W; (5)Junction temperature, Tj: 150℃; (6)Storage temperature range, Tstg: -40 to 125℃.
Features
MG150Q2YS11 features: (1)Electrodes are isolated from the heat sink (2500V AC); (2)High DC current gain; (3)Low saturation voltage(2 to 2.5V maximum); (4)Wide safe operating area.
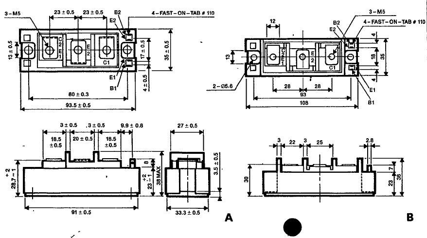
Diagrams

(Hong Kong)






