Product Summary
The CM200DU-24H is an IGBT module. Applications are (1)UPS; (2)NC machine; (3)AC-Drive control; (4)Servo; (5)Welders.
Parametrics
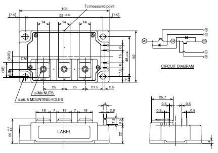
CM200DU-24H absolute maximum ratings: (1)Collector-emitter voltage: 1200 V; (2)Gate-emitter voltage: ±20 V; (3)Collector current TC = 25°C: 200 A; Pulse (Note 1): 400 A; (4)Emitter current TC = 25°C: 200 A; Pulse (Note 1): 400 A; (5)Maximum collector dissipation TC = 25°C: 1130 W; (6)Junction temperature: –40 to +150°C; (7)Storage temperature: -40 to +150°C; (8)Isolation voltage: 2500 Vrms; (9)Mounting torque main terminals M6 screw: 3.5 to 4.5 N·m; Mounting M6 screw: 3.5 to 4.5 N·m; (10)Weight: 400 g.
Features
CM200DU-24H features: (1)IC: 200A; (2)VCES: 1200V; (3)Insulated type; (4)2-elements in a pack; (5)UL recognized.
Diagrams

| Image | Part No | Mfg | Description | ![]() |
Pricing (USD) |
Quantity | ||||||||||||
|---|---|---|---|---|---|---|---|---|---|---|---|---|---|---|---|---|---|---|
![]() |
![]() CM200DU-24H |
![]() |
![]() IGBT MOD DUAL 1200V 200A U SER |
![]() Data Sheet |
![]()
|
|
||||||||||||
| Image | Part No | Mfg | Description | ![]() |
Pricing (USD) |
Quantity | ||||||||||||
![]() |
![]() CM2006 |
![]() Other |
![]() |
![]() Data Sheet |
![]() Negotiable |
|
||||||||||||
![]() |
![]() CM2006-02QR |
![]() ON Semiconductor |
![]() Video ICs VGA Port Monitor |
![]() Data Sheet |
![]()
|
|
||||||||||||
![]() |
![]() CM2009 |
![]() Other |
![]() |
![]() Data Sheet |
![]() Negotiable |
|
||||||||||||
![]() |
![]() CM2009-00QR |
![]() ON Semiconductor |
![]() Video ICs VGA Port Circuit 55 Ohm |
![]() Data Sheet |
![]()
|
|
||||||||||||
![]() |
![]() CM2009-02QR |
![]() ON Semiconductor |
![]() Video ICs VGA Port Circuit 15 Ohm |
![]() Data Sheet |
![]()
|
|
||||||||||||
![]() |
![]() CM200C-32.768KAZF-UT |
![]() Citizen |
![]() Crystals 32.768K 30ppm 12.5pF |
![]() Data Sheet |
![]()
|
|
||||||||||||
(Hong Kong)











