Product Summary
The 6MBP20RY060 is an IGBT module. The applications of the device are (1)Inverter for motor drive; (2)AC and DC servo drive amplifier; (3)UPS(Uninterruptible power supply).
Parametrics
6MBP20RY060 absolute maximum ratings: (1)DC bus voltage, VDC: 450 V; (2)DC bus voltage (surge), VDC(surge): 500 V; (3)DC bus voltage (short operating), VSC: 400 V; (4)Collector-Emitter voltage, VCES: 600 V; (5)Collector current , DC, IC: 20 A; 1 ms, ICP: 40 A; Duty=49.6% -IC: 20 A; (6)Collector power dissipation One Transistor, Pc: 63 W; (7)Junction temperature, Tj: 150 ℃; (8)Input voltage of power supply for pre-driver, Vcc: -0.3~20 V; (9)Input signal current, Iin: 20 mA; (10)Alarm signal voltage, VALM: Vcc V; (11)Alarm signal current, IALM: 15 mA; (12)Storage temperature, Tstg: -40~125 ℃; (13)Operating case temperature, Tcop: -20~100 ℃; (14)Isolating voltage (Terminal to base,50/60Hz sine wave 1min), Viso: AC 2500 V; (15)Screw torque Mounting(M4): 2.0 Nm.
Features
6MBP20RY060 features: (1)Low power loss and soft switching ; (2)High performance and high reliability IGBT with overheating protection ; (3)Higher reliability because of big decrease in number of parts in built-in control circuit .
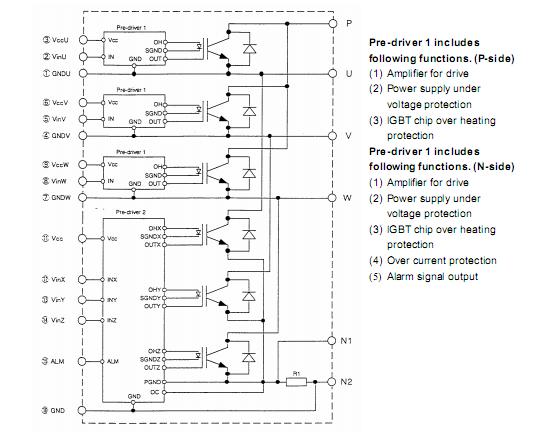
Diagrams

(Hong Kong)






