Product Summary
The 2MBI75S-120-03 is an IGBT module. The applications of it are High Power Switching, A.C. Motor Controls, D.C. Motor Controls, Uninterruptible Power Supply.
Parametrics
2MBI75S-120-03 absolute maximum ratings: (1)Collector-Emitter Voltage: 1200V; (2)Gate -Emitter Voltage: ±20V; (3)Collector current: IC: 100/75A, ICpulse: 200/150A, -IC: 75A, -ICpulse: 150A; (4)Max. Power Dissipation: 600 W; (5)Operating Temperature: +150℃; (6)Storage Temperature: -40 to +125℃; (7)Isolation voltage: 2500V.
Features
2MBI75S-120-03 features: (1)NPT-Technology; (2)Square SC SOA at 10 x IC; (3)High Short Circuit Withstand-Capability; (4)Small Temperature Dependence of the Turn-Off Switching Loss; (5)Low Losses And Soft Switching.
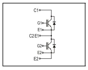
Diagrams

(Hong Kong)






