Product Summary
the 1mbi300s-120 is an igbt module. The applications of the 1mbi300s-120 include high power switching, a.c. motor controls, d.c. motor controls, uninterruptible power supply.
Parametrics
1mbi300s-120 absolute maximum ratings: (1)collector-emitter voltage, vces: 1200 v; (2)gate -emitter voltage, vges: ±20 v; (3)continuous 25 ℃/80 ℃, ic: 400/300 a; (4)collector 1ms 25℃/80℃, ic pulse: 800/600 a; (5)current continuous, -ic: 300 a; 1ms, -ic pulse: 600 a; (6)max. power dissipation, pc: 2100 w; (7)operating temperature, tj: +150 ℃; (8)storage temperature, tstg: -40 to +125 ℃; (9)isolation voltage, 1 a.c. 1min. vis: 2500 v.
Features
1mbi300s-120 features: (1)npt-technology; (2)square sc soa at 10 x ic; (3)high short circuit withstand-capability; (4)small temperature dependence of the turn-off switching loss; (5)low losses and soft switching.
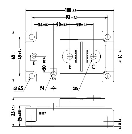
Diagrams

(Hong Kong)






