Product Summary
The CX1140 is a Hydrogen Thyratron. The CX1140 is featuring low jitter and low anode delay time drift. Suitable for use at high pulse repetition rates, in parallel for switching higher powers, or for switching long pulses. A reservoir of the CX1140 operating from the cathode heater supply is incorporated. The CX1140 replaces many less sophisticated thyratrons of similar rating when used with base adaptors obtainable from Marconi Applied Technologies.
Parametrics
CX1140 absolute maximum ratings: (1)Peak forward anode voltage: ± 25 kV; (2)Peak anode current: ± 1000 A; (3)Average anode current: ±1.25 A; (4)Rate of rise of anode current: ± 5000 A/ms; (5)Anode heating factor: ± 9.0 × 109 VApps.
Features
CX1140 features: (1)Peak forward anode voltage: 25 kV max; (2)Peak anode current: 1000 A max; (3)Average anode current: 1.25 A max; (4)Anode heating factor: 9.0 × 109; (5)VApps max Peak output power: 12.5 MW max.
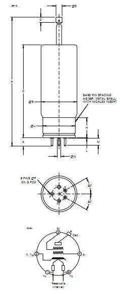
Diagrams

(Hong Kong)






