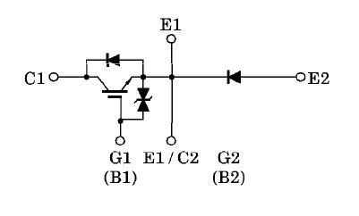
Product Summary
The MG200Q1JS8 is a silicon N channel IGBT.
Parametrics
MG200Q1JS8 absolute maximum ratings: (1)ICollector-Emitier Voltage: 1200V; (2)Gate-Emitter voltage: ±20V; (3)Collector Current: 200A; (4)Forward Current: 200A; (5)Collector Power Dissipation(TC=25℃): 1300W; (6)Junction Temperature TJ: 150℃; (7)Storage Temperature Range Tstg: -40 to125℃.
Features
MG200Q1JS8 features: (1)High Input Impedance; (2)High Speed: tr=0.5us (Max.); (3)trr=0.5us (Max.); (4)LoW Saturation Voltage: VCE (sat) = 4.0V (Max.); (5)Enhancement-Mode; (6)The Electrodes are Isolated from Case.
Diagrams

(Hong Kong)






