Product Summary
The MG100J2YS45 is a TOSHIBA GTR module silicon with N channel IGBT. It has high power switching applications and motor cantrol applications.
Parametrics
MG100J2YS45 absolute maximum ratings: (1)Collector emitter voltage VCES: 600V; (2)Gate emitter voltage VGES: ±20V; (3)Collector current DC, IC: 100A; (4)Collector current 1ms, ICP: 200A; (5)Collector power dissipation, PC: 300W; (6)Junction temperature Tj: 150℃; (7)Storage temperature range Tstg: -40 to 125℃.
Features
MG100J2YS45 features: (1)High input impedance; (2)High speed; (3)Low saturation voltage; (4)Enhancement mode; (5)The electrodes are isolated from case.
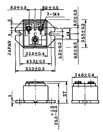
Diagrams

(Hong Kong)






