Product Summary
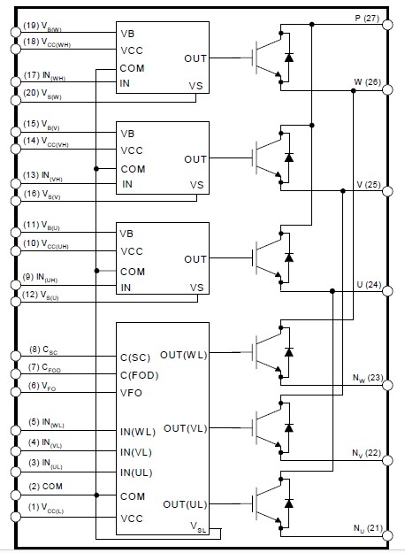
The FSBB10SH60 is an advanced smart power module that Fairchild has newly developed and designed to provide very compact and high performance ac motor drives mainly targeting lowpower inverter-driven application like air conditioner and washing machine. The FSBB10SH60 combines optimized circuit protection and drive matched to low-loss IGBTs. System reliability is further enhanced by the integrated under-voltage lock-out and shortcircuit protection. The high speed built-in HVIC provides optocoupler- less single-supply IGBT gate driving capability that further reduce the overall size of the inverter system design. Each phase current of inverter can be monitored separately due to the divided negative dc terminals. Applications are (1)AC 100V ~ 253V three-phase inverter drive for small power ac motor drives; (2)Home appliances applications like air conditioner and washing machine.
Parametrics
FSBB10SH60 absolute maximum ratings: (1)Supply voltage applied between P- NU, NV, NW: 450 V; (2)Supply voltage (surge)applied between P- NU, NV, NW: 500 V; (3)Collector-emitter voltage: 600 V; (4)Each IGBT collector current TC = 25°C: 15 A; (5)Each IGBT collector current (peak)TC = 25°C, under 1ms pulse width: 30 A; (6)Collector dissipation TC = 25°C per one chip: 50 W; (7)Operating junction temperature (note 1): -20 to 125 °C.
Features
FSBB10SH60 features: (1)UL certified No.E209204 (SPM27-CA package); (2)Very low thermal resistance due to using DBC; (3)600V-15A 3-phase IGBT inverter bridge including control ICs for gate driving and protection; (4)Divided negative dc-link terminals for inverter current sensing applications; (5)Single-grounded power supply due to built-in HVIC; (6)Isolation rating of 2500Vrms/min.
Diagrams

(Hong Kong)






