Product Summary
The CM400DY-24A is a high power switching use IGBT module. The applications of the CM400DY-24A include AC drive inverters and Servo controls.
Parametrics
CM400DY-24A absolute maximum ratings: (1)Collector-emitter voltage: 1200 V; (2)Gate-emitter voltage: ±20 V; (3)Collector current: 400 A; (4)Emitter current: 400 A; (5)Maximum collector dissipation: 2710 W; (6)Junction temperature: -40 to +150 ℃; (7)Storage temperature: -40 to +125 ℃; (8)Isolation voltage: 2500 V.
Features
CM400DY-24A features: (1)IC: 400 A; (2)VCES: 1200 V; (3)Insulated Type; (4)2-elements in a pack.
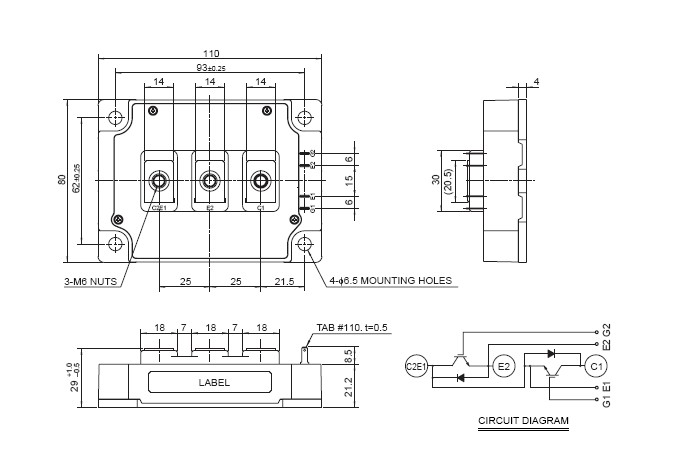
Diagrams

| Image | Part No | Mfg | Description | ![]() |
Pricing (USD) |
Quantity | ||||||||||||||||
|---|---|---|---|---|---|---|---|---|---|---|---|---|---|---|---|---|---|---|---|---|---|---|
![]() CM400DY-24A |
![]() |
![]() IGBT MOD DUAL 1200V 400A A SER |
![]() Data Sheet |
![]() Negotiable |
|
|||||||||||||||||
| Image | Part No | Mfg | Description | ![]() |
Pricing (USD) |
Quantity | ||||||||||||||||
![]() |
![]() CM400DU-12F |
![]() |
![]() IGBT MOD DUAL 600V 400A F SER |
![]() Data Sheet |
![]()
|
|
||||||||||||||||
![]() |
![]() CM400DU-12H |
![]() |
![]() IGBT MOD DUAL 600V 400A U SER |
![]() Data Sheet |
![]()
|
|
||||||||||||||||
![]() |
![]() CM400DU-12NFH |
![]() |
![]() IGBT MOD DUAL 600V 400A NFH SER |
![]() Data Sheet |
![]()
|
|
||||||||||||||||
![]() |
![]() CM400DU-24F |
![]() |
![]() IGBT MOD DUAL 1200V 400A F SER |
![]() Data Sheet |
![]()
|
|
||||||||||||||||
![]() |
![]() CM400DU-24H |
![]() |
![]() IGBT MOD DUAL 1200V 400A U SER |
![]() Data Sheet |
![]()
|
|
||||||||||||||||
![]() |
![]() CM400DU-24NFH |
![]() |
![]() IGBT MOD DUAL 1200V 400A NFH SER |
![]() Data Sheet |
![]()
|
|
||||||||||||||||
(Hong Kong)









