Product Summary
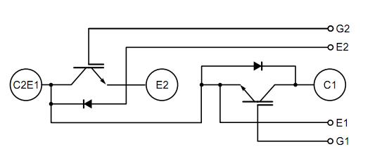
The CM350DU-5F is a Mitsubishi IGBT Module designed for use in switching applications. The CM350DU-5F consists of two IGBTs in a half-bridge configuration with each transistor having a reverse-connected super-fast recovery free-wheel diode. All components and interconnects are isolated from the heat sinking baseplate, offering simplified system assembly and thermal management. The applications of the CM350DU-5F include UPS, Forklift.
Parametrics
CM350DU-5F absolute maximum ratings: (1)Junction Temperature, Tj: -40 to 150℃; (2)Storage Temperature, Tstg: -40 to 125℃; (3)Collector-Emitter Voltage (G-E SHORT), VCES: 250 Volts; (4)Gate-Emitter Voltage (C-E SHORT), VGES: ±20 Volts; (5)Collector Current (Tc = 25℃), IC: 350 Ampere; (6)Peak Collector Current, ICM: 700 Ampere; (7)Emitter Current (Tc = 25℃), IE: 350 Ampere; (8)Peak Emitter Current, IEM: 700 Ampere; (9)Maximum Collector Dissipation (Tc = 25℃, Tj ≤ 150℃), Pc: 960 Watts; (10)Mounting Torque, M6 Main Terminal: 1.96 to 2.94 N·m; (11)Mounting Torque, M6 Mounting: 1.96 to 2.94 N·m; (12)Weight: 520 Grams; (13)Isolation Voltage (Main Terminal to Baseplate, AC 1 min.), Viso: 2500 Vrms.
Features
CM350DU-5F features: (1)Low Drive Power; (2)Low VCE(sat); (3)Discrete Super-Fast Recovery Free-Wheel Diode; (4)High Frequency Operation; (5)Isolated Baseplate for Easy Heat Sinking.
Diagrams

| Image | Part No | Mfg | Description | ![]() |
Pricing (USD) |
Quantity | ||||
|---|---|---|---|---|---|---|---|---|---|---|
![]() |
![]() CM350DU-5F |
![]() Other |
![]() |
![]() Data Sheet |
![]() Negotiable |
|
||||
| Image | Part No | Mfg | Description | ![]() |
Pricing (USD) |
Quantity | ||||
![]() |
![]() CM3500 |
![]() Other |
![]() |
![]() Data Sheet |
![]() Negotiable |
|
||||
![]() |
![]() CM350DU-5F |
![]() Other |
![]() |
![]() Data Sheet |
![]() Negotiable |
|
||||
![]() |
![]() CM35MSCBLY |
![]() Panduit |
![]() Phone Connectors Stereo Coupler, 3.5mm, Black |
![]() Data Sheet |
![]() Negotiable |
|
||||
![]() |
![]() CM35MSCEIY |
![]() Panduit |
![]() Phone Connectors Stereo Coupler, 3.5mm, Electric Ivory |
![]() Data Sheet |
![]() Negotiable |
|
||||
![]() |
![]() CM35MSCIGY |
![]() Panduit |
![]() Phone Connectors Stereo Coupler, 3.5mm, Intl Gray |
![]() Data Sheet |
![]() Negotiable |
|
||||
![]() |
![]() CM35MSCIWY |
![]() Panduit |
![]() Phone Connectors Stereo Coupler, 3.5mm, Off White |
![]() Data Sheet |
![]() Negotiable |
|
||||
(Hong Kong)










