Product Summary
The CM300DJB060 is a high power switching. Applications are (1)General purpose inverters; (2)Servo controls, etc.
Parametrics
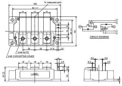
CM300DJB060 absolute maximum ratings: (1)Collector-emitter voltage: 600 V; (2)Gate-emitter voltage: ±20 V; (3)Collector current TC = 25°C: 300 A; Pulse (Note 2): 600 A; (4)Emitter current TC = 25°C: 300 A; Pulse (Note 2): 600 A; (5)Maximum collector dissipation TC = 25°C: 780 W; (6)Junction temperature: –40 to +150 °C; (7)Storage temperature: -40 to +125 °C; (8)Isolation voltage: 2500 V; (9)Torque strength main terminal M6: 3.5 ~ 4.5 N. m; Mounting holes M6: 3.5 ~ 4.5 N. m; (10)Weight typical value: 400 g.
Features
CM300DJB060 features: (1)IC: 300A; (2)ÁVCES: 600V; (3)Insulated type; (4)2-elements in a pack.
Diagrams

(Hong Kong)






