Product Summary
The 2MBI200UF-120 is an igbt module. Applications are (1)Inverter for Motor drive; (2)AC and DC Servo drive amplifier; (3)Uninterruptible power supply; (4)Industrial machines, such as Welding machines.
Parametrics
2MBI200UF-120 absolute maximum ratings: (1)Collector-Emitter voltage VCES: 600 V; (2)Gate-Emitter voltage VGES: 20 V; (3)Collector current IC Continuous: 200 A; (4)Collector Power Dissipation PC 1 device: 660 W; (5)Junction temperature Tj: 150°C; (6)Storage temperature Tstg: -40 to +125°C:; (7)Isolation voltage between terminal and copper base *1 Viso AC:1min.: 2500 VAC; (8)Screw Torque Mounting *2: 3.5 Nm.
Features
2MBI200UF-120 features: (1)High speed switching; (2)Voltage drive; (3)Low inductance module structure.
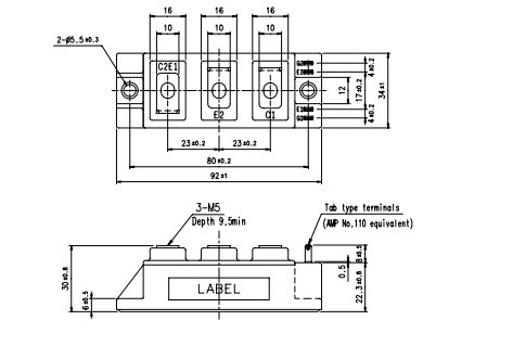
Diagrams

(Hong Kong)






