Product Summary
The 2MBI150NB-060 is an IGBT module. Applications are (1)High power switching; (2)A.C. Motor controls; (3)D.C. Motor controls; (4)Uninterruptible power supply.
Parametrics
2MBI150NB-060 absolute maximum ratings: (1)Collector-emitter voltage VCES: 1200 V; (2)Gate -emitter voltage VGES: ± 20 V; (3)Collector current continuous IC: 150 A; 1ms IC PULSE: 300 A; continuous -IC: 150 A; 1ms -IC PULSE: 300 A; (4)Max. Power dissipation PC: 1100 W; (5)Operating temperature Tj: +150 °C; (6)Storage temperature Tstg: -40 ~ +125 °C; (7)Isolation voltage A.C. 1min. Vis: 2500 V; (8)Screw torque mounting 1: 3.5 Nm; Terminals 1: 3.5 Nm.
Features
2MBI150NB-060 features: (1)Square RBSOA; (2)Low saturation voltage; (3)Less total power dissipation; (4)Improved FWD characteristic; (5)Minimized internal stray inductance; (6)Overcurrent limiting function (4~5 times rated current).
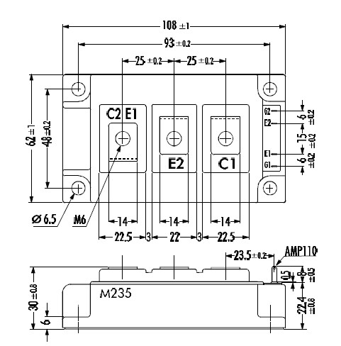
Diagrams

(Hong Kong)






