Product Summary
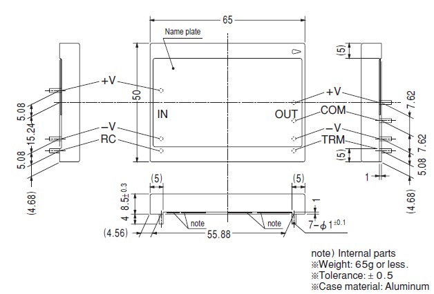
The zuw251212 is a converter. It is in contact with slanted area of the P.C.B. To keep the isolation, adequate wiring on the mounted side is required.
Parametrics
zuw251212 absolute maximum ratings: (1)Input voltage DC: 18 to 36 V; (2)Output wattage: 25.2 W; (3)DC output: -12 to 24 V at -0.84 to 1.05 A.
Features
zuw251212 features: (1)UL recognized, TV approved, CSA certified; (2)Isolated between input-output; (3)Thin profile; (4)Built-in over current protection; (5)RoHS compliant.
Diagrams

(Hong Kong)






