Product Summary
ZUS152405 is a DC-DC Converter.
Parametrics
ZUS152405 absolute maximum ratings: (1) Input Voltage: 18 to 36 V; (2) Output Wattage: 12 W; (3) DC Output: 5 V/2.4 A.
Features
ZUS152405 features: (1)UL recognized, TV approved, CSA certified; (2)Isolated between input-output; (3)Thin profile; (4)Built-in Over Current Protection; (5)RoHS Compliant.
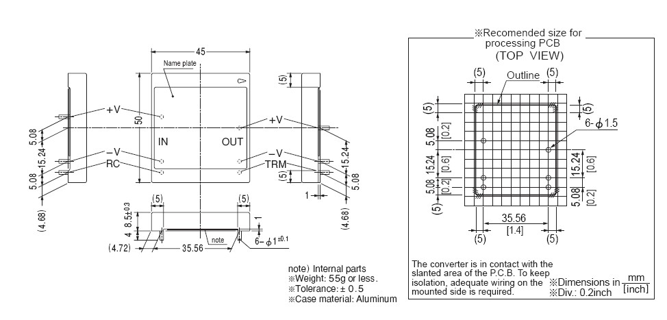
Diagrams

(Hong Kong)






