Product Summary
The V300C24C150BL is a DC-DC Converter Module. The V300C24C150BL uses advanced power processing, control and packaging technologies to provide the performance, flexibility, reliability and cost effectiveness of a mature power component. High frequency ZCS/ZVS switching provides high power density with low noise and high efficiency. The applications of the V300C24C150BL include Off-line systems with auto-ranging or PFC front ends, industrial and process control, distributed power, medical, ATE, communications, defense, aerospace.
Parametrics
V300C24C150BL absolute maximum ratings: (1)+In to –In voltage: -0.5 to +410 V; (2)PC to –In voltage: -0.5 to +7.0 V; (3)PR to –In voltage: -0.5 to +7.0 V; (4)SC to -Out voltage: -0.5 to +1.5 V; (5)Isolation voltage: 3000 V; (6)Operating Temperature: -55 to +100 ℃; (7)Storage Temperature: -65 to +125 ℃.
Features
V300C24C150BL features: (1)RoHS Compliant (with F or G pin option); (2)DC input range: 180 - 375 V; (3)Input surge withstand: 400 V for 100 ms; (4)DC output: 3.3 - 48 V; (5)Programmable output: 10 to 110%; (6)Regulation: ±0.4% no load to full load; (7)Efficiency: Up to 90%; (8)Maximum operating temp: 100℃, full load; (9)Power density: up to 90 W per cubic inch; (10)Height above board: 0.43 in. (10,9 mm); (11)Parallel able, with N+M fault tolerance; (12)Low noise ZCS/ZVS architecture.
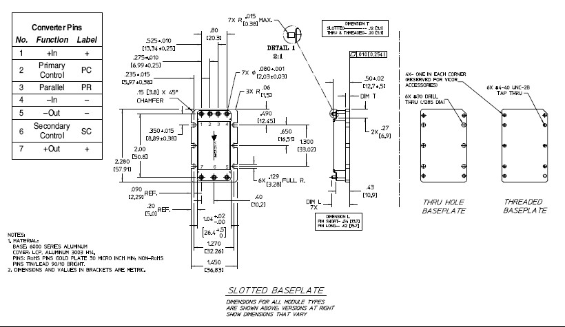
Diagrams

| Image | Part No | Mfg | Description | ![]() |
Pricing (USD) |
Quantity | ||||||||||||
|---|---|---|---|---|---|---|---|---|---|---|---|---|---|---|---|---|---|---|
![]() |
![]() V300C24C150BL |
![]() |
![]() CONVERTER MOD DC/DC 24V 150W |
![]() Data Sheet |
![]()
|
|
||||||||||||
![]() |
![]() V300C24C150BL2 |
![]() |
![]() CONVERTER MOD DC/DC 24V 150W |
![]() Data Sheet |
![]()
|
|
||||||||||||
![]() |
![]() V300C24C150BL3 |
![]() |
![]() CONVERTER MOD DC/DC 24V 150W |
![]() Data Sheet |
![]()
|
|
||||||||||||
(Hong Kong)










