Product Summary
The V48B5C200BL is a DC-DC Converter Module. This DC-DC converter module uses 2nd Generation power processing, control and packaging technologies to provide the performance, flexibility and cost effectiveness expected of a mature power component. For example, a plated-cavity core transformer couples widely separated primary and secondary windings, resulting in low in-toout parasitic capacitance and noise. High frequency ZCS/ZVS switching, advanced power semiconductor packaging and thermal management provide high power density with low temperature gradients. Extensive use of silicon integration results in 1/3 the part count of a 1st Generation converter. The applications of the V48B5C200BL include telecommunications and distributed power systems.
Parametrics
V48B5C200BL absolute maximum ratings: (1)+In to –In voltage: -0.5 to +75 V; (2)+In to –In voltage: 100 V; (3)PC to –In voltage: -0.5 to +7.0 V; (4)PR to –In voltage: -0.5 to +7.0 V; (5)+Out to –Out voltage: -0.5 to +7 V; (6)+Sense to –Out voltage: -0.5 to +7 V; (7)–Sense to –Out voltage: 1.0 V; (8)SC to –Out voltage: -0.5 to +1.5 V; (9)Isolation voltage (in to out): 2000 V; (10)Isolation voltage (in to base): 1550 V; (11)Isolation voltage (out to base): 500 V; (12)Storage temperature (C–Grade): -40 to +125 ℃; (13)Operating temperature (C–Grade): -20 to +100 ℃.
Features
V48B5C200BL features: (1) DC input range: 36 - 75V; (2) Input surge withstand: 100V for 100ms; (3) DC output: 5V; (4) Programmable output: 10 to 110%; (5) Regulation: ±0.2%; (6)Efficiency: 85%; (7)Maximum operating temperature: 100℃ at full load; (8)Power density: 80W/cubic inch; (9) Height above board: 0.43 in. (10, 9 mm); (10) Parallel able, with N+M fault tolerance; (11) Low noise ZCS/ZVS architecture.
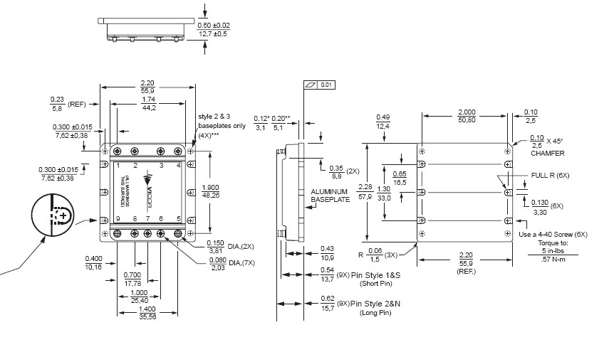
Diagrams

| Image | Part No | Mfg | Description | ![]() |
Pricing (USD) |
Quantity | ||||||||||
|---|---|---|---|---|---|---|---|---|---|---|---|---|---|---|---|---|
![]() |
![]() V48B5C200BL |
![]() |
![]() CONVERTER MOD DC/DC 5V 200W |
![]() Data Sheet |
![]()
|
|
||||||||||
![]() |
![]() V48B5C200BL2 |
![]() |
![]() CONVERTER MOD DC/DC 5V 200W |
![]() Data Sheet |
![]()
|
|
||||||||||
![]() |
![]() V48B5C200BL3 |
![]() |
![]() CONVERTER MOD DC/DC 5V 200W |
![]() Data Sheet |
![]()
|
|
||||||||||
(Hong Kong)









