Product Summary
PP3-5-15 is a DC-DC Converter.
Parametrics
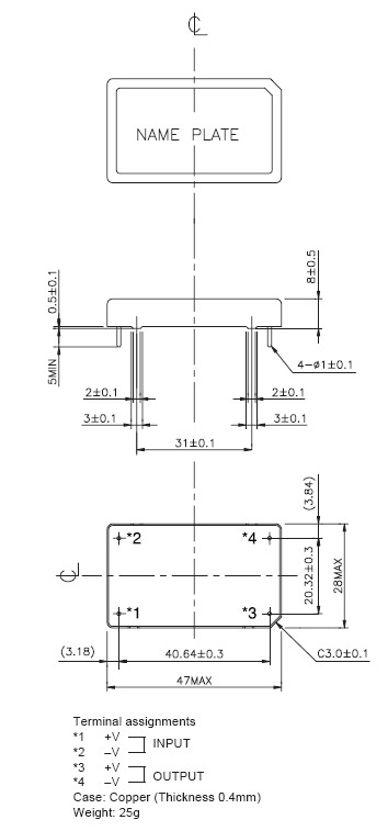
PP3-5-15 absolute maximum ratings: (1)Input voltage range: 4.5 to 7.2 V; (2)Output voltage range: Fixed (PP15, PP25: +5% available with external resistor); (3)Cooling: Convection cooling; (4)Operating ambient temperature: -20 to +71 ℃; (5)Withstand voltage: Input–output, Input–case: 500 V for 1 min.
Features
PP3-5-15 features: (1)Compact and single output DC-DC converter Ultra-thin profile: 8mm; (2)Operating temperature: –20 to +71℃; (3)Isolation between input and output; (4)PP15, PP25: Output voltage variable, on/off control; (5)3 year warranty.
Diagrams

| Image | Part No | Mfg | Description | ![]() |
Pricing (USD) |
Quantity | ||||||||||||||||
|---|---|---|---|---|---|---|---|---|---|---|---|---|---|---|---|---|---|---|---|---|---|---|
![]() |
![]() PP3-5-15 |
![]() TDK-Lambda |
![]() DC/DC Converters 3W 15V 0.2A |
![]() Data Sheet |
![]() Negotiable |
|
||||||||||||||||
| Image | Part No | Mfg | Description | ![]() |
Pricing (USD) |
Quantity | ||||||||||||||||
![]() |
![]() PP3-002A |
![]() |
![]() CONN 2.1MM FEMALE PLUG 5.5MM OUT |
![]() Data Sheet |
![]()
|
|
||||||||||||||||
![]() PP3-002AH |
![]() |
![]() CONN PWR PLUG DC 2.1X5.5 8A MOD |
![]() Data Sheet |
![]()
|
|
|||||||||||||||||
![]() |
![]() PP3-002B |
![]() |
![]() CONN 2.5MM FEMALE PLUG 5.5MM OUT |
![]() Data Sheet |
![]()
|
|
||||||||||||||||
![]() PP3-002BH |
![]() |
![]() CONN PWR PLUG DC 2.5X5.5 8A MOD |
![]() Data Sheet |
![]()
|
|
|||||||||||||||||
![]() |
![]() PP3-002C |
![]() |
![]() CONN DC POWER PLUG 1.0MM |
![]() Data Sheet |
![]()
|
|
||||||||||||||||
![]() |
![]() PP3-002D |
![]() |
![]() CONN POWER PLUG 1.3MM X 3.5MM |
![]() Data Sheet |
![]()
|
|
||||||||||||||||
(Hong Kong)













