Product Summary
The VI-213-IV is a PCB mounting component.
Parametrics
VI-213-IV absolute maximum ratings: (1)Set point accuracy: 0.5%; (2)Low–high trim voltage: 50% to 110%; (3)Output ripple pk-pk: 1%; (4)Load regulation: 0.05%; (5)Line regulation: 0.05%; (6)OVP set point: 115% to 135%; (7)Current limit setting: 105% to 125%.
Features
VI-213-IV features: (1)Inputs: 10 to 400VDC; (2)Output, 1 to 95VDC; (3)80-90% efficiency (typical); (4)ZCS power architecture; (5)Low noise FM control; (6)Booster versions available for expanded power.
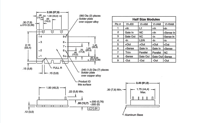
Diagrams

| Image | Part No | Mfg | Description | ![]() |
Pricing (USD) |
Quantity | ||||||
|---|---|---|---|---|---|---|---|---|---|---|---|---|
![]() |
![]() VI-213-IV-S |
![]() |
![]() CONVERTER MOD DC/DC 24V 150W |
![]() Data Sheet |
![]()
|
|
||||||
![]() |
![]() VI-213-IV-F4 |
![]() |
![]() CONVERTER MOD DC/DC 24V 150W |
![]() Data Sheet |
![]()
|
|
||||||
![]() |
![]() VI-213-IV-F3 |
![]() |
![]() CONVERTER MOD DC/DC 24V 150W |
![]() Data Sheet |
![]()
|
|
||||||
![]() |
![]() VI-213-IV-F2 |
![]() |
![]() CONVERTER MOD DC/DC 24V 150W |
![]() Data Sheet |
![]()
|
|
||||||
![]() |
![]() VI-213-IV-F1 |
![]() |
![]() CONVERTER MOD DC/DC 24V 150W |
![]() Data Sheet |
![]()
|
|
||||||
![]() |
![]() VI-213-IV-B1 |
![]() |
![]() CONVERTER MOD DC/DC 24V 150W |
![]() Data Sheet |
![]()
|
|
||||||
![]() |
![]() VI-213-IV |
![]() |
![]() CONVERTER MOD DC/DC 24V 150W |
![]() Data Sheet |
![]()
|
|
||||||
(Hong Kong)









