Product Summary
The V375C12C150AL is a DC-DC converter module. The V375C12C150AL uses 2nd generation power processing, control and packaging technologies to provide the performance, flexibility and cost effectiveness expected of a mature power component. For example, a plated-cavity core transformer couples widely separated primary and secondary windings, resulting in low in-toout parasitic capacitance and noise. High frequency ZCS/ZVS switching, advanced power semiconductor packaging and thermal management provide high power density with low temperature gradients. Extensive use of silicon integration results in 1/3 the part count of a 1st Generation converter. Applications are (1)Distributed power; (2)Off-line systems using power PFC front-ends; (3)Electric vehicles.
Parametrics
V375C12C150AL absolute maximum ratings: (1)+In to –In voltage: -0.5 to +425 Vdc; (2)+In to –In voltage: 500 Vdc; (3)PC to –In voltage: -0.5 to +7.0 Vdc; (4)PR to –In voltage: -0.5 to +7.0 Vdc; (5)+Out to –Out voltage: -0.5 to +31.7 Vdc; (6)SC to –Out voltage: -0.5 to +1.5 Vdc; (7)Isolation voltage (in to out): 3000 Vrms; (8)Isolation voltage (in to base): 1550 Vrms; (9)Isolation voltage (out to base): 500 Vrms; (10)Storage temperature (C–Grade): -40 to +125 °C; (11)Operating temperature (C–Grade): -20 to +100 °C; (12)Pin soldering temperature: 500 (260)°F (°C); (13)Pin soldering temperature: 750 (390)°F (°C); (14)Mounting torque: 5 (0.57)in-lbs (N-m).
Features
V375C12C150AL features: (1)DC input range: 250 to 425V; (2)Input surge withstand: 500V for 100ms; (3)DC output: 24V; (4)Programmable output: 10 to 110%; (5)Regulation: ±0.2% no load to full load; (6)Efficiency: 86%; (7)Maximum operating temperature: 100°C at full load; (8)Power density: 91W/cubic inch; (9)Height above board: 0.43 in. (10,9 mm); (10)Parallelable, with N+M fault tolerance; (11)Low noise ZCS/ZVS architecture.
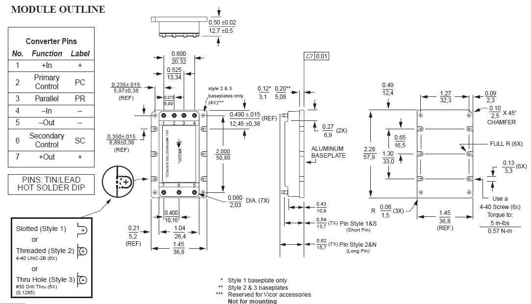
Diagrams

(Hong Kong)






