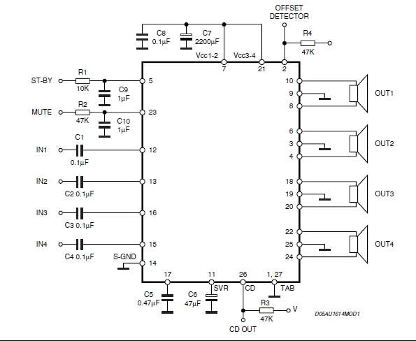
Product Summary
The TDA7388 is a new technology class AB audio power amplifier in Flexiwatt 27 package designed for high end car radio applications. Thanks to the fully complementary PNP/NPN output configuration the TDA7388 allows a rail to rail output voltage swing with no need of bootstrap capacitors. The extremely reduced components count allows very compact sets. The TDA7388 is also equipped with Clipping detector and Offset detector features.
Parametrics
TDA7388 absolute maximum ratings: (1)VS Operating supply voltage: 18 V; (2)VS (DC) DC supply voltage: 28 V; (3)VS (pk) Peak supply voltage (t = 50ms): 50 V; (4)IO Output peak current:; (5)Repetitive (duty cycle 10% at f = 10Hz): 4.5A; (6)Non repetitive (t = 100μs): 5.5A; (7)Ptot Power dissipation, (Tcase = 70℃): 80W; (8)Tj Junction temperature: 150℃; (9)Tstg Storage temperature: -55 to 150℃.
Features
TDA7388 features: (1)High output power capability; (2)Low distortion; (3)Low output noise; (4)St-by function; (5)Mute function; (6)Automute at min. supply voltage detection; (7)Low external component count; (8)Clipping detector; (9)Offset detector.
Diagrams

| Image | Part No | Mfg | Description | ![]() |
Pricing (USD) |
Quantity | ||||||||||||
|---|---|---|---|---|---|---|---|---|---|---|---|---|---|---|---|---|---|---|
![]() |
![]() TDA7388 |
![]() STMicroelectronics |
![]() Audio Amplifiers 4X41W QUAD BRDG CAR RADIO AMPLIFIER |
![]() Data Sheet |
![]()
|
|
||||||||||||
![]() |
![]() TDA7388A |
![]() STMicroelectronics |
![]() Audio Amplifiers 4 x 42W Quad Bridge Car-Radio Amplifier |
![]() Data Sheet |
![]()
|
|
||||||||||||
(Hong Kong)









