Product Summary
The MX29LV321DTXBI-90G is a 32Mbit flash memory that can be organized as 4Mbytes of 8bits each or as 2Mbytes of 16bits each. The MX29LV321DTXBI-90G operates over a voltage range of 2.7V to 3.6V typically using a 3V power supply input. The MX29LV321DTXBI-90G is offered in a 44-pin SOP, a 48-pin TSOP and a 48-ball CSP(TFBGA) JEDEC standard package. These packages are offered in leaded, as well as lead-free versions that are compliant to the RoHS specifications.
Parametrics
MX29LV321DTXBI-90G absolute maximum ratings: (1)surrounding temperature with Bias: -65℃ to +125℃; (2)storage temperature: -65℃ to +125℃; (3)voltage range: -0.5V to +4.0V, -0.5V to +10.5V, -0.5V to VCC+0.5V; (4)output short circuit current: 200mA.
Features
MX29LV321DTXBI-90G features: (1)extra 64K-byte sector for security: features factory locked and identifiable, and customer lockable; (2)provides sector group protect function to prevent program or erase operation in the protected sector group; (3)provides chip unprotect function to allow code changing; (4)provides temporary sector group unprotect function for code changing in previously protected sector groups; (5)VCC 2.7V to 3.6V for read, erase, and program operations; (6)latch-up protected to 100mA from -1V to 1.5*VCC; (7)low VCC write inhibit: VCC≤VIko; (8)compatible with JEDEC standard; (9)high performance; (10)fast access time:70ns; (11)low power consumption; (12)low active read current: 10mA(typical) at 5MHz; (13)low standby current: 5uA(typical); (14)typical 100,000 erase/program cycle; (15)20 years data retention; (16)suspends sector erase operation to read data from or program data to another sector which is not being erased; (17)support common flash interface.
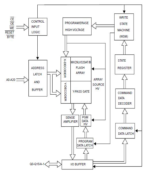
Diagrams

(Hong Kong)






