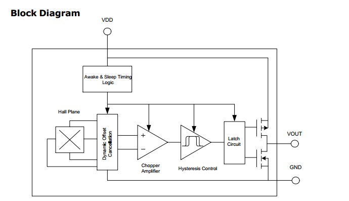
Product Summary
The APX9132AI-TRG is an ultra-sensitive, pole independent Hall-effect switch with a latched digital output. A 2.5 volt to 3.5 volt operation and an unique clocking scheme reduce the average operating power requirements, either a north or south pole of sufficient flux will turn the output on; in the absence of a magnetic field, the output is off. The applications of the APX9132AI-TRG are Micro Switch, Handheld Wireless Application Wake Up Switch, Clamp Shell Type Application Switch, Magnet Switch in Low Duty Cycle Applications.
Parametrics
APX9132AI-TRG absolute maximum ratings: (1)VDD Supply Voltage: 5 V; (2)VOUT Output Voltage: 5 V; (3)IOUT Output Current: ±1 mA; (4)TJ Junction Temperature Range: 150 °C; (5)TSTG Storage Temperature Range: -65 to +150 °C.
Features
APX9132AI-TRG features: (1)Micro Power Operation for Battery Applications; (2)Chopper Stabilized Amplifier; (3)Independent of North or South Pole Magnet, Easy for Manufacture; (4)Small Size Package; (5)Lead Free and Green Devices Available (RoHS Compliant).
Diagrams

(Hong Kong)






