Product Summary
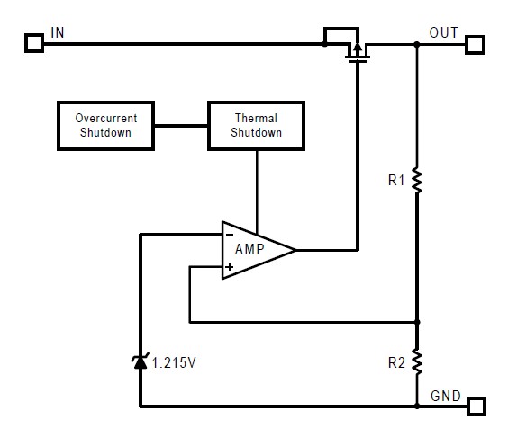
The AME8815AEGT250 is a linear regulator. It features low quiescent current (45mA typ.) with low dropout voltage, making them ideal for battery applications. The AME8815AEGT250 is available in D2PAK and TO-220 packages. The space-efficient SOT-223 and DPAK package are attractive for "Pocket" and "Hand Held" applications. The AME8815AEGT250 is stable with an output capacitance of 4.7mF or greater. Applications are (1)Instrumentation; (2)Portable electronics; (3)Wireless devices; (4)PC peripherals; (5)Battery powered widgets.
Parametrics
AME8815AEGT250 absolute maximum ratings: (1)Input voltage: 8 V; (2)Output current: PD / (VIN - VO)mA; (3)Output voltage: GND - 0.3 to VIN + 0.3 V; (4)ESD classification: B; (5)Ambient temperature range: -40 to +85 ℃; (6)Junction temperature: -40 to +125 ℃.
Features
AME8815AEGT250 features: (1)Very low dropout voltage; (2)Guaranteed 1.5A output; (3)Accurate to within 1.5%; (4)45mA quiescent current typically; (5)Over-temperature shutdown; (6)Current limiting; (7)Short circuit current fold-back; (8)Space-efficient DPAK or SOT223 package; (9)Low temperature coefficient.
Diagrams

| Image | Part No | Mfg | Description | ![]() |
Pricing (USD) |
Quantity | ||||||||||||
|---|---|---|---|---|---|---|---|---|---|---|---|---|---|---|---|---|---|---|
![]() |
![]() AME8815AEGT250Z |
![]() AME |
![]() Low Dropout (LDO) Regulators 2.5V 1.5A CMOS |
![]() Data Sheet |
![]()
|
|
||||||||||||
| Image | Part No | Mfg | Description | ![]() |
Pricing (USD) |
Quantity | ||||||||||||
![]() |
![]() AME811R |
![]() Other |
![]() |
![]() Data Sheet |
![]() Negotiable |
|
||||||||||||
![]() |
![]() AME8500 |
![]() Other |
![]() |
![]() Data Sheet |
![]() Negotiable |
|
||||||||||||
![]() |
![]() AME8500AEETAF29 |
![]() AME |
![]() Supervisory Circuits 2.93V Active Low |
![]() Data Sheet |
![]()
|
|
||||||||||||
![]() |
![]() AME8500AEETAF31 |
![]() AME |
![]() Supervisory Circuits 3.08V Active Low |
![]() Data Sheet |
![]()
|
|
||||||||||||
![]() |
![]() AME8500AEETAF40 |
![]() AME |
![]() Supervisory Circuits 4.00V Active Low |
![]() Data Sheet |
![]()
|
|
||||||||||||
![]() |
![]() AME8500AEETAF44 |
![]() AME |
![]() Supervisory Circuits 4.38V Active Low |
![]() Data Sheet |
![]()
|
|
||||||||||||
(Hong Kong)









