Product Summary
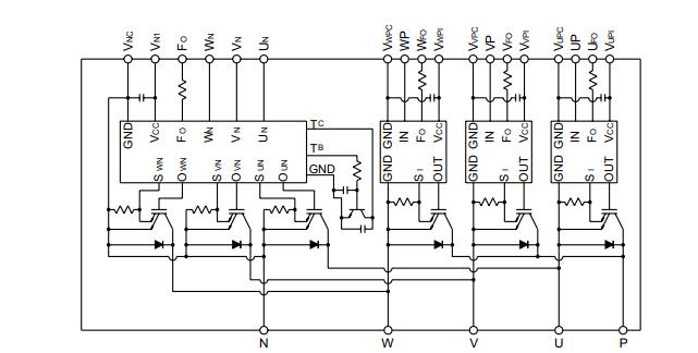
The pm200dsa060 is a Mitsubishi intelligent power module. The pm200dsa060 is isolated base modules designed for power switching applications operating at frequencies to 20kHz. Appications of the pm200dsa060 include: Inverters, UPS, Motion/Servo Control and Power Supplies.
Parametrics
pm200dsa060 absolute maximum ratings: (1) Power Device Junction Temperature Tj: -20 to 150°C; (2) Storage Temperature Tstg: -40 to 125°C; (3) Case Operating Temperature Tc: -20 to 100°C; (4) Mounting Torque, M4 Mounting Screws: (TM)0.98 ~ 1.4 N.M; (5) Supply Voltage Protected by OC and SC (VD= 13.5 - 16.5V, Inverter Part) : 400V; (6) Isolation Voltage (Main Terminal to Baseplate, AC 1 min.) VSIO: 2500Vrms.
Features
pm200dsa060 features: (1) Complete Output Power Circuit; (2) Gate Drive Circuit; (3) Protection Logic: Short Circui, COver Current, COver Temperature and CUnder Voltage.
Diagrams

| Image | Part No | Mfg | Description | ![]() |
Pricing (USD) |
Quantity | ||||||
|---|---|---|---|---|---|---|---|---|---|---|---|---|
![]() |
![]() PM200DSA060 |
![]() |
![]() MOD IPM DUAL 600V 200A |
![]() Data Sheet |
![]()
|
|
||||||
| Image | Part No | Mfg | Description | ![]() |
Pricing (USD) |
Quantity | ||||||
![]() |
![]() PM2001-200 |
![]() Bourns |
![]() EMI Filter Beads, Chokes & Arrays 25% Choke |
![]() Data Sheet |
![]() Negotiable |
|
||||||
![]() |
![]() PM2001-200-RC |
![]() |
![]() FERRITE CHIP 20 OHM 25% |
![]() Data Sheet |
![]() Negotiable |
|
||||||
![]() |
![]() PM2002-300 |
![]() J.W. Miller |
![]() EMI Filter Beads, Chokes & Arrays 47ohm 25% |
![]() Data Sheet |
![]() Negotiable |
|
||||||
![]() |
![]() PM2002-300-RC |
![]() Bourns |
![]() EMI Filter Beads, Chokes & Arrays 47ohms 25% |
![]() Data Sheet |
![]() Negotiable |
|
||||||
![]() |
![]() PM2002DP |
![]() Other |
![]() |
![]() Data Sheet |
![]() Negotiable |
|
||||||
![]() |
![]() PM2003-300 |
![]() J.W. Miller |
![]() EMI Filter Beads, Chokes & Arrays 25% Choke |
![]() Data Sheet |
![]() Negotiable |
|
||||||
(Hong Kong)










