Product Summary
The QM15TB-9 is a MITSUBISHI Transistor Module. The applications of the QM15TB-9 include Inverters, Servo drives, DC motor controllers, CVCF, NC equipment and Welders.
Parametrics
QM15TB-9 absolute maximum ratings: (1)Collector-emitter voltage: 1000 V; (2)Collector-base voltage: 1000 V; (3)Emitter-base voltage: 7 V; (4)Collector current: 15 A; (5)Collector reverse current: 15 A; (6)Collector dissipation: 150 W; (7)Base current: 1 A; (8)Surge collector reverse current: 150 A; (9)Junction temperature: -40 to 150 ℃; (10)Storage temperature: -40 to 125 ℃; (11)Isolation voltage: 2500 V.
Features
QM15TB-9 features: (1)IC Collector current: 15A; (2)VCEX Collector-emitter voltage: 1000V; (3)hFE DC current gain: 75; (4)Insulated Type; (5)UL Recognized.
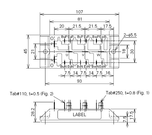
Diagrams

(Hong Kong)






