Product Summary
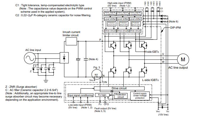
The ps21869 is an intellimod module dual-in-line intelligent power module. Applications of the ps21869 include: AC100V~200V three-phase inverter drive for small power motor control.
Parametrics
ps21869 absolute maximum ratings: (1) Supply voltage (surge) Vcc (surge) : 500V (Applied between P-NU, NV, NW) ; (3) Collector-emitter voltage VCES: 600V; (4) Each IGBT collector current±Ic: 30A (Tc=25°C) ; (5) Each IGBT collector current (peak) ±Icp: 60A (Tc=25°C, less than 1ms) ; (6) Collector dissipation Pc: 90.9W (Tc=25°C, per 1 chip) ; (7) Junction temperature Tj: -20 to +150°C.
Features
ps21869 features: (1) Drive circuit, High voltage high-speed level shifting, Control supply under-voltage (UV) protection; (2) Drive circuit, Control supply under-voltage protection (UV), Short circuit protection (SC) ; (3) Corresponding to an SC fault (Lower-leg IGBT) or a UV fault (Lower-side supply) ; (4) Corresponding to an SC fault (Lower-leg IGBT) or a UV fault (Lower-side supply) ; (5) UL.
Diagrams

| Image | Part No | Mfg | Description | ![]() |
Pricing (USD) |
Quantity | ||||
|---|---|---|---|---|---|---|---|---|---|---|
![]() |
![]() PS21869 |
![]() Other |
![]() |
![]() Data Sheet |
![]() Negotiable |
|
||||
![]() |
![]() PS21869-P |
![]() Other |
![]() |
![]() Data Sheet |
![]() Negotiable |
|
||||
![]() |
![]() PS21869-P(-AP) |
![]() Other |
![]() |
![]() Data Sheet |
![]() Negotiable |
|
||||
(Hong Kong)









