Product Summary
The PM20CEE060-5 is an intelligent power module. It can be used in general purpose inverter, servo drives and other motor controlers.
Parametrics
PM20CEE060-5 absolute maximum ratings: (1)On the conditions of VD = 15V, VCIN = 15V, VCES Collector-Emitter Voltage: 600V; (2)On the condition of TC = 25℃, ±IC Collector Current: 20A; (3)On the condition of TC = 25℃, ±ICP Collector Current (Peak): 40A; (4)On the condition of TC = 25℃, PC Collector Dissipation: 56W; (5)Tj Junction Temperature: -20~+125℃.
Features
PM20CEE060-5 features: (1)3 phase IGBT (20A/600V) inverter output; (2)Monolithic gate drive & protection logic circuit; (3)Protection logic: over circuit (OC); short circuit (SC); over temperature (OT); under voltage lock-out (UV); (4)UL Recognized: File No. E80271; Yellow Card No. E80276.
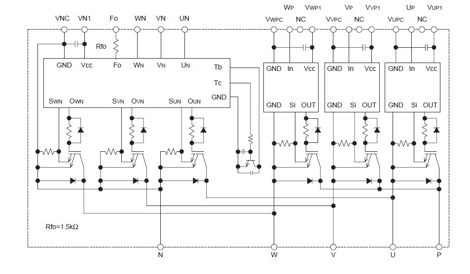
Diagrams

(Hong Kong)






