Product Summary
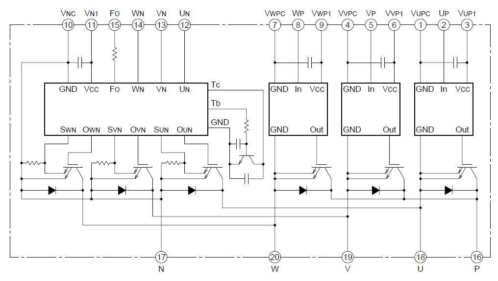
The PM20CEA060-3 is an intelligent power module. It can be used in air conditioner, mortor control.
Parametrics
PM20CEA060-3 absolute maximum ratings: (1)On the conditions of VD = 15V, VCIN = 10mA, VCES Collector-Emitter Voltage: 600V; (2)On the condition of TC = 25℃, ±IC Collector Current: 20A; (3)On the condition of TC = 25℃, ±ICP Collector Current (Peak): 40A; (4)On the condition of TC = 25℃, PC Collector Dissipation: 56W; (5)Tj Junction Temperature: -20~+125℃.
Features
PM20CEA060-3 features: (1)600V, 20A Current-sense 6kHz IGBT type inverter; (2)Built in IGBT gate drive circuit; (3)Built in faule OC, SC, OT & UV protection fault output; (4)1.5kW class inverter application; (5)UL recognized: yellow card No. E80276 (N); File No. E80271.
Diagrams

(Hong Kong)






