Product Summary
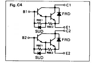
The EVL31-055 is a 600 volts class power transistor module. The applications of it are power switching, AC motor controls, DC motor controls, uninterruptible power supply.
Parametrics
EVL31-055 general specifications: (1)VCBO:600V; (2)VCEO:600V; (3)VCEO(SUS):550V; (4)IC cont.:120A; (5)Pc:500W; (6)hFE min.:70; (7)IC:100A; (8)tON:2.0usec; (9)tstg:12usec; (10)tf:3usec; (11)Tj:+150℃; (12)Tstg:-40 to +125℃.
Features
EVL31-055 features: (1)including free wheeling diode; (2)high DC current gain; (3)insulated type.
Diagrams

(Hong Kong)






