Product Summary
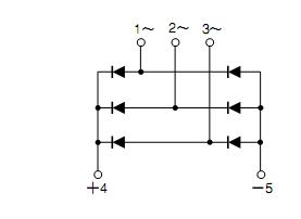
The df50ba80 is a power diode module. The df50ba80 is designed for three phase full wave rectification, which has six diodes connected in a three phase bridge configuration. Applications of the df50ba80 include: AC, DC Motor Drive/AVR/Switching for three phase rectification.
Parametrics
df50ba80 absolute maximum ratings: (1) Repetitive Peak Reverse Voltage VRRM: 800V; (2) Non-Repetitive Peak Reverse Voltage VRSM: 960V; (3) Output Current D.C.) ID: 50A (Three phass full wave. Tc: 114°C) ; (4) Surge Forward Current IFSM: 640/700A (1 cycle, 50/60H , peak value, non-repetitive) ; (5) Operating Junction Temperature Tj: -40 to +150°C; (6) Storage Temperature Tstg: -40 to +125°C.
Features
df50ba80 features: (1) Tjmax=150°C; (2) Isolated mounting base; (3) High reliability by unique glass passivation.
Diagrams

| Image | Part No | Mfg | Description | ![]() |
Pricing (USD) |
Quantity | ||||||||||||
|---|---|---|---|---|---|---|---|---|---|---|---|---|---|---|---|---|---|---|
![]() |
![]() DF50BA80 |
![]() Other |
![]() |
![]() Data Sheet |
![]() Negotiable |
|
||||||||||||
| Image | Part No | Mfg | Description | ![]() |
Pricing (USD) |
Quantity | ||||||||||||
![]() |
![]() DF50-20DP-1H(51) |
![]() Hirose Connector |
![]() Headers & Wire Housings 20P 1.0MM PITCH HDR R/A SMT |
![]() Data Sheet |
![]()
|
|
||||||||||||
![]() |
![]() DF50-30DP-1V(51) |
![]() Hirose Connector |
![]() Headers & Wire Housings 30P 2 ROW SMT HEADER |
![]() Data Sheet |
![]()
|
|
||||||||||||
![]() |
![]() DF50-30DS-1C |
![]() Hirose Connector |
![]() Headers & Wire Housings 30P 2 ROW CRIMP SCKT |
![]() Data Sheet |
![]()
|
|
||||||||||||
![]() |
![]() DF50A-2P-1H(51) |
![]() Hirose Connector |
![]() Headers & Wire Housings 2P 1.0MM PITCH HDR R/A SMT |
![]() Data Sheet |
![]()
|
|
||||||||||||
![]() |
![]() DF50A-15S-1C |
![]() Hirose Connector |
![]() Headers & Wire Housings 15P 1.0MM PITCH CRIMP HOUSING |
![]() Data Sheet |
![]()
|
|
||||||||||||
![]() |
![]() DF50A-13S-1C |
![]() Hirose Connector |
![]() Headers & Wire Housings 13P 1.0MM PITCH CRIMP HOUSING |
![]() Data Sheet |
![]()
|
|
||||||||||||
(Hong Kong)










