Product Summary
The CM200DU-24F is a high power switching use IGBT module. The applications of the CM200DU-24F include general purpose inverters and Servo controls.
Parametrics
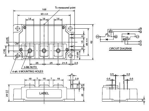
CM200DU-24F absolute maximum ratings: (1)Collector-emitter voltage: 1200 V; (2)Gate-emitter voltage: ±20 V; (3)Collector current: 200 A; (4)Emitter current: 200 A; (5)Maximum collector dissipation: 830 W; (6)Junction temperature: -40 to +150 ℃; (7)Storage temperature: -40 to +125 ℃; (8)Isolation voltage: 2500 V.
Features
CM200DU-24F features: (1)IC: 200 A; (2)VCES: 1200 V; (3)Insulated Type; (4)2-elements in a pack.
Diagrams

| Image | Part No | Mfg | Description | ![]() |
Pricing (USD) |
Quantity | ||||||||||||||||
|---|---|---|---|---|---|---|---|---|---|---|---|---|---|---|---|---|---|---|---|---|---|---|
![]() |
![]() CM200DU-24F |
![]() |
![]() IGBT MOD DUAL 1200V 200A F SER |
![]() Data Sheet |
![]()
|
|
||||||||||||||||
| Image | Part No | Mfg | Description | ![]() |
Pricing (USD) |
Quantity | ||||||||||||||||
![]() |
![]() CM2006 |
![]() Other |
![]() |
![]() Data Sheet |
![]() Negotiable |
|
||||||||||||||||
![]() |
![]() CM2006-02QR |
![]() ON Semiconductor |
![]() Video ICs VGA Port Monitor |
![]() Data Sheet |
![]()
|
|
||||||||||||||||
![]() |
![]() CM2009 |
![]() Other |
![]() |
![]() Data Sheet |
![]() Negotiable |
|
||||||||||||||||
![]() |
![]() CM2009-00QR |
![]() ON Semiconductor |
![]() Video ICs VGA Port Circuit 55 Ohm |
![]() Data Sheet |
![]()
|
|
||||||||||||||||
![]() |
![]() CM2009-02QR |
![]() ON Semiconductor |
![]() Video ICs VGA Port Circuit 15 Ohm |
![]() Data Sheet |
![]()
|
|
||||||||||||||||
![]() |
![]() CM200C-32.768KAZF-UT |
![]() Citizen |
![]() Crystals 32.768K 30ppm 12.5pF |
![]() Data Sheet |
![]()
|
|
||||||||||||||||
(Hong Kong)












