Product Summary
The 2mbI150ne-120 is an N sereis IGBT module. Applications of the 2mbI150ne-120 include: High Power Switching, A.C. Motor Controls, D.C. Motor Controls and Uninterruptible Power Supply.
Parametrics
2mbI150ne-120 absolute maximum ratings: (1) Collector-Emitter Voltage VCES: 1200V; (2) Gate -Emitter Voltage VGES: ±20V; (3) Collector Current IC: 150A (continuous) , Ic pulse: 300A (1ms) , -Ic: 150A (continuous) ; (4) Max. Power Dissipation pc: 1100W; (5) Operating Temperature Tj: +150°C; (6) Storage Temperature Tstg: -40 to +125°C; (7) Isolation Voltage Vis: 2500V.
Features
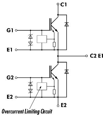
2mbI150ne-120 features: (1) Square RBSOA; (2) Low Saturation Voltage; (3) Less Total Power Dissipation; (4) Improved FWD Characteristic; (5) Minimized Internal Stray Inductance; (6) Overcurrent Limiting Function (4~5 Times Rated Current) .
Diagrams

| Image | Part No | Mfg | Description | ![]() |
Pricing (USD) |
Quantity | ||||
|---|---|---|---|---|---|---|---|---|---|---|
![]() |
![]() 2MBI150NE-120 |
![]() Other |
![]() |
![]() Data Sheet |
![]() Negotiable |
|
||||
| Image | Part No | Mfg | Description | ![]() |
Pricing (USD) |
Quantity | ||||
![]() |
![]() 2MBI100N-060-03 |
![]() Other |
![]() |
![]() Data Sheet |
![]() Negotiable |
|
||||
![]() |
![]() 2MBI100NB-120 |
![]() Other |
![]() |
![]() Data Sheet |
![]() Negotiable |
|
||||
![]() |
![]() 2MBI100NC-120 |
![]() Other |
![]() |
![]() Data Sheet |
![]() Negotiable |
|
||||
![]() |
![]() 2MBI100NE-120 |
![]() Other |
![]() |
![]() Data Sheet |
![]() Negotiable |
|
||||
![]() |
![]() 2MBI100P-140 |
![]() Other |
![]() |
![]() Data Sheet |
![]() Negotiable |
|
||||
![]() |
![]() 2MBI100PC-140 |
![]() Other |
![]() |
![]() Data Sheet |
![]() Negotiable |
|
||||
(Hong Kong)









