Product Summary
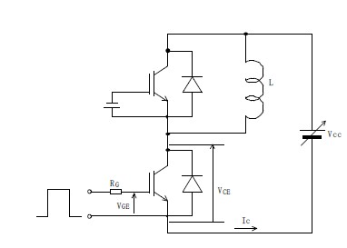
The 2MBI100U4A-120-50 is an IGBT module.
Parametrics
2MBI100U4A-120-50 absolute maximum ratings: (1)Collector-emitter voltage Vces: 1200 V; (2)Gate -emitter voltage Vges: ± 20 V; (3)Collector current Ic continuous Tc=25℃: 150 A; Collector current IC continuous Tc=80℃: 1O0 A; Icp 1ms Tc=25℃: 300 A; Icp 1ms Tc=80℃: 200 A; -IC: 100 A; -IC pulse 1ms: 200 A; (4)Collector power dissipation PC: 540 W; (5)Operating temperature Tj: +150 °C; (6)Storage temperature Tstg: -40 to +125 °C; (7)Isolation voltage A.C. 1min. Vis: 2500 V; (8)Current mounting 1: 3.5 Nm; Terminals 2: 4.5 Nm.
Diagrams

(Hong Kong)






