Product Summary
The 1MBI400NN-120 is an IGBT MODULE. The applications of the 1MBI400NN-120 include High Power Switching, A.C. Motor Controls, D.C. Motor Controls, Uninterruptible Power Supply.
Parametrics
1MBI400NN-120 absolute maximum ratings: (1)Collector-Emitter Voltage VCES: 1200 V; (2)Gate -Emitter Voltage VGES: ±20 V; (3)Continuous IC: 400V; (4)Collector 1ms IC PULSE: 800A; (5)Current Continuous -IC: 400A; (6)1ms -IC PULSE: 800A; (7)Max. Power Dissipation PC: 3100 W; (8)Operating Temperature Tj: +150℃; (9)Storage Temperature Tstg: -40 to +125℃.
Features
1MBI400NN-120 features: (1)Square RBSOA; (2)Low Saturation Voltage; (3)Less Total Power Dissipation; (4)Improved FWD Characteristic; (5)Minimized Internal Stray Inductance; (6)Overcurrent Limiting Function (4~5 Times Rated Current).
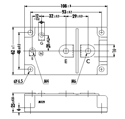
Diagrams

(Hong Kong)






