Product Summary
The 1MBI300SA-120B is an IGBT module. The applications of the 1MBI300SA-120B include high power switching, A.C. motor controls, D.C. motor controls, uninterruptible power supply.
Parametrics
1MBI300SA-120B absolute maximum ratings: (1)Collector-emitter voltage, VCES: 1200 V; (2)Gate -emitter voltage, VGES: ±20 V; (3)Continuous 25 ℃/80 ℃, IC: 400/300 A; (4)Collector 1ms 25℃/80℃, IC PULSE: 800/600 A; (5)Current continuous, -IC: 300 A; 1ms, -IC PULSE: 600 A; (6)Max. power dissipation, PC: 2100 W; (7)Operating temperature, Tj: +150 ℃; (8)Storage temperature, Tstg: -40 to +125 ℃; (9)Isolation voltage, 1 A.C. 1min. Vis: 2500 V.
Features
1MBI300SA-120B features: (1)NPT-technology; (2)Square SC SOA at 10 x IC; (3)High short circuit withstand-capability; (4)Small temperature dependence of the turn-off switching loss; (5)Low losses and soft switching.
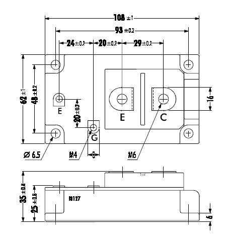
Diagrams

(Hong Kong)






