Product Summary
The HJQ-15F is a general-purpose relay.
Parametrics
HJQ-15F absolute maximum ratings: (1)Insulation Resistance: 100MΩMin at 500VDC; (2)Dielectric Strength Between Open Contacts: 1500VAC(1min 1mA) ; (3)Between Contacts and coil: 1500VAC(1min 1mA); (4)Operate Time: 15ms; (5)Release Time: 10ms; (6)Temperature Range: -40 ℃ to +70 ℃; (7)Shock Resistance, Operating Extremes: 10G; (8)Shock Resistance,Damage Limits: 100G; (9)Vibration Resistance: 10-55Hz,1.5mm; (10)Humidity: 40-85%; (11)Weight: Approx. 36g; (12)Safety Standard: CCEE: CH0064848-2001; UL, TUV.
Features
HJQ-15F features: (1)High power&low cost; (2)30A switching capability; (3)Less than 1W coil power ; (4)Open sealed type available; (5)Class B/F available; (6)Conform to RoHS, ELV directive.
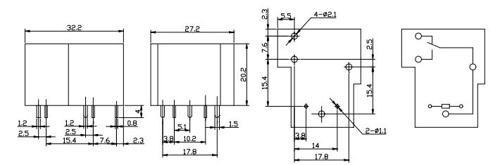
Diagrams

(Hong Kong)






