Product Summary
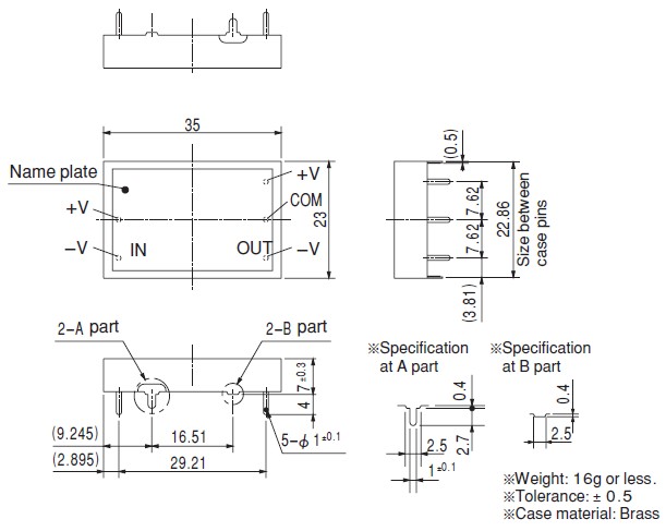
The ZUW31215is a converter. It is in contact with slanted area of the P.C.B. To keep the isolation, adequate wiring on the mounted side is required.
Parametrics
ZUW31215 absolute maximum ratings: (1)Input voltage DC: 9 to 18 V; (2)Output wattage: 3 W; (3)DC output: -15 to 30 V at -0.1 to 0.1 A.
Features
ZUW31215 features: (1)UL recognized, TV approved, CSA certified; (2)Isolated between input-output; (3)Thin profile; (4)Built-in over current protection; (5)RoHS compliant.
Diagrams

(Hong Kong)






