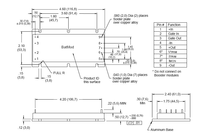
Product Summary
The VI-263-IU is a Battery Charger Current Source Module. The BatMod combines Vicor’s industry standard package with the flexibility of a power converter whose output voltage and output current may be independently set. BatMod’s allow the user to independently program a constant output current and a maximum float voltage. The float voltage is the point at which the BatMod transitions from constant current to constant voltage. These features make the BatMod an ideal candidate for battery charging and other applications which require a controlled current source. The BatMod is also available in booster versions that enable the designer to create systems capable of multiple kilowatts of output power. With its wide range of input options, the BatMod is compatible with all major battery types. This new current output module finds application in systems where easily programmable current is of primary importance. Consult factory for availability of input/output voltage ranges not shown.
Parametrics
VI-263-IU absolute maximum ratings: (1)Nominal Input Voltage: 48V; (2)Output Current: 0 to14.5A; (3)Current Control Input: 1V to 5V; (4)Current Monitor Output: 1V to 5V; (5)Voltage Control Input: 0V to 2.5V; (6)Operating Temperature: -10 to +85 ℃; (7)Storage Temperature: -20 to +100℃.
Features
VI-263-IU features: (1) Programmable Output Current; (2)Booster Versions Available; (3)Compatible with All Major Battery Types; (4)Inputs: 48, 150, 300Vdc; (5)Outputs: 12, 24, 48Vdc Nom.; (6)Analog Current Monitor; (7)Analog Overvoltage Adjust; (8)CE Marked.
Diagrams

| Image | Part No | Mfg | Description | ![]() |
Pricing (USD) |
Quantity | ||||||
|---|---|---|---|---|---|---|---|---|---|---|---|---|
![]() |
![]() VI-263-IU-S |
![]() |
![]() CONVERTER MOD DC/DC 24V 200W |
![]() Data Sheet |
![]()
|
|
||||||
![]() |
![]() VI-263-IU-F4 |
![]() |
![]() CONVERTER MOD DC/DC 24V 200W |
![]() Data Sheet |
![]()
|
|
||||||
![]() |
![]() VI-263-IU-F3 |
![]() |
![]() CONVERTER MOD DC/DC 24V 200W |
![]() Data Sheet |
![]()
|
|
||||||
![]() |
![]() VI-263-IU-F2 |
![]() |
![]() CONVERTER MOD DC/DC 24V 200W |
![]() Data Sheet |
![]()
|
|
||||||
![]() |
![]() VI-263-IU-F1 |
![]() |
![]() CONVERTER MOD DC/DC 24V 200W |
![]() Data Sheet |
![]()
|
|
||||||
![]() |
![]() VI-263-IU-B1 |
![]() |
![]() CONVERTER MOD DC/DC 24V 200W |
![]() Data Sheet |
![]()
|
|
||||||
![]() |
![]() VI-263-IU |
![]() |
![]() CONVERTER MOD DC/DC 24V 200W |
![]() Data Sheet |
![]()
|
|
||||||
(Hong Kong)









