Product Summary
V300C5C100BL is a DC-DC Converter Module. This DC-DC converter module uses 2nd Generation power processing, control and packaging technologies to provide the performance, flexibility and cost effectiveness expected of a mature power component. For example, a plated-cavity core transformer couples widely separated primary and secondary windings, resulting in low in-toout parasitic capacitance and noise. High frequency ZCS/ZVS switching, advanced power semiconductor packaging and thermal management provide high power density with low temperature gradients. Extensive use of silicon integration results in 1/3 the part count of a 1st Generation converter. The applications of the V300C5C100BL include off-line systems, distributed power and electric vehicles.
Parametrics
V300C5C100BL absolute maximum ratings: (1)+In to –In voltage: -0.5 to +375 V; (2)+In to –In voltage: 400 V; (3)PC to –In voltage: -0.5 to +7.0 V; (4)PR to –In voltage: -0.5 to +7.0 V; (5)+Out to –Out voltage: -0.5 to +7 V; (6)SC to –Out voltage: -0.5 to +1.5 V; (7)Isolation voltage (in to out): 3000 V; (8)Isolation voltage (in to base): 1550 V; (9)Isolation voltage (out to base): 500 V; (10)Storage temperature (C–Grade): -40 to +125 ℃; (11)Operating temperature (C–Grade): -20 to +100 ℃.
Features
V300C5C100BL features: (1)DC input range: 180 - 375V; (2)Input surge withstand: 400V for 100ms; (3)DC output: 5V; (4)Programmable output: 10 to 110%; (5)Regulation: ±0.4% no load to full load; (6)Efficiency: 81.5%; (7)Maximum operating temperature: 100℃ at full load; (8)Power density: 60W/cubic inch; (9)Height above board: 0.43 in. (10,9 mm); (10)Parallel able, with N+M fault tolerance; (11)Low noise ZCS/ZVS architecture.
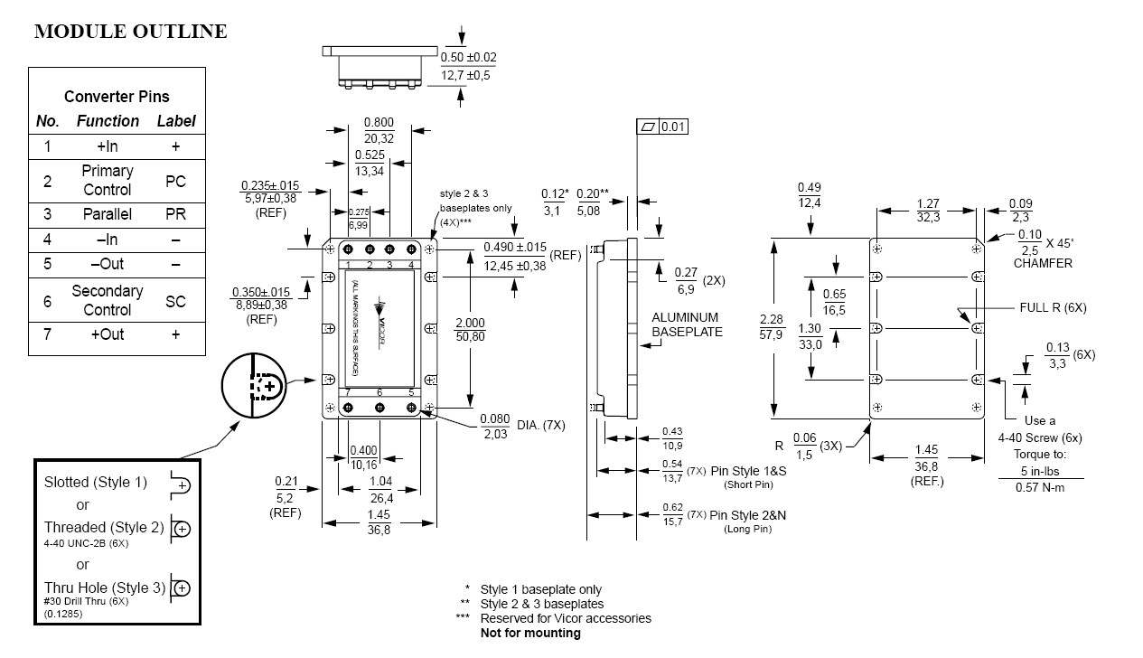
Diagrams

| Image | Part No | Mfg | Description | ![]() |
Pricing (USD) |
Quantity | ||||||||||||
|---|---|---|---|---|---|---|---|---|---|---|---|---|---|---|---|---|---|---|
![]() |
![]() V300C5C100BL |
![]() |
![]() CONVERTER MOD DC/DC 5V 100W |
![]() Data Sheet |
![]()
|
|
||||||||||||
![]() |
![]() V300C5C100BL2 |
![]() |
![]() CONVERTER MOD DC/DC 5V 100W |
![]() Data Sheet |
![]()
|
|
||||||||||||
![]() |
![]() V300C5C100BL3 |
![]() |
![]() CONVERTER MOD DC/DC 5V 100W |
![]() Data Sheet |
![]()
|
|
||||||||||||
(Hong Kong)










