Product Summary
The TPS51117RG is a cost effective, synchronous buck controller for POL voltage regulation in notebook PC applications. The TPS51117RG is dedicated for Adaptive On-Time D-CAP Mode operation that provides ease of use, low external component count, and excellent fast transient response at the same time. Auto-skip mode for high efficiency down to the mill-ampere load range, or PWM-only mode for low noise operation is selectable. The applications of the TPS51117RG include Notebook Computers, I/O Supplies, and System Power Supplies.
Parametrics
TPS51117RG absolute maximum ratings: (1)Input voltage range: VBST: –0.3 to 36 V, VBST (with respect to LL): –0.3 to 6 V, EN_PSV, TRIP, V5DRV, V5FILT: –0.3 to 6 V, VOUT: –0.3 to 6 V, TON: –0.3 to 6 V; (2)Output voltage range: DRVH: –1 to 36 V, DRVH (with respect to LL): –0.3 to 6 V, LL: –1 to 30 V, PGOOD, DRVL: –0.3 to 6 V, PGND: –0.3 to 0.3 V; (3)Operating free-air temperature: –40 to 85 ℃; (4)Storage temperature range: –55 to 150 ℃; (5)Junction temperature range: –40 to 125 ℃; (6)Lead temperature 1,6 mm (1/16 inch) from case for 10 seconds: 260 ℃.
Features
TPS51117RG features: (1)High Efficiency, Low Power Consumption, 4.5-μA Typical Shutdown Current; (2)Fixed Frequency Emulated On-Time Control, Adjustable from 100 kHz to 550 kHz; (3)Fast Transient Response; (4)< 1% Initial Reference Accuracy; (5)Output Voltage Range: 0.75 V to 5.5 V; (6)Wide Input Voltage Range: 1.8 V to 28 V; (7)Selectable Auto-Skip/PWM-Only Operation; (8)Temperature Compensated (4500ppm/℃); (9) Low-Side RDS (on) Overcurrent Sensing; (10) Negative Overcurrent Limit.
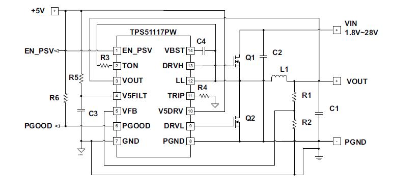
Diagrams

| Image | Part No | Mfg | Description | ![]() |
Pricing (USD) |
Quantity | ||||||||||||
|---|---|---|---|---|---|---|---|---|---|---|---|---|---|---|---|---|---|---|
![]() |
![]() TPS51117RGYR |
![]() Texas Instruments |
![]() DC/DC Switching Controllers Wide Vin Synch Buck Cntrlr |
![]() Data Sheet |
![]()
|
|
||||||||||||
![]() |
![]() TPS51117RGYRG4 |
![]() Texas Instruments |
![]() DC/DC Switching Controllers Wide Vin Synch Buck Cntrlr |
![]() Data Sheet |
![]()
|
|
||||||||||||
(Hong Kong)









