Product Summary
The SC9167 is a 13-memory Tone/Pulse switchable dialer with Last Number Redial(LNB) and HOLD function, which are fabricated in COMS technology with wide operating voltage for both tone and pulse mode, and consumes very low memory retention current in ON-HOOK state.
Parametrics
SC9167 absolute maximum ratings: (1)Power Supply Voltage, VDD: 6.0 V; (2)Input Voltage, VIN: -0.3~VDD+0.3 V; (3)Power Dissipation, PD: 500 mW; (4)Operating Temperature, Topr: -25~+70℃; (5)Storage Temperature, Tstg: -55~+150℃.
Features
SC9167 features: (1)13-memory Tone/Puls e switchable dialer; (2)Three 16-digit one touch memory and ten 16-digit two touch; (3)memory, One 32-digit last number redial memory; One 32-digit SAVE function for storing phone number in off hook status; Note: only 15-digit/31-digit for Tone mode, 1-digit use to identify; (4)tone mode; (5)Pulse-to-tone (P-T) is provided for PBX operation; (6)Flash key is available; (7)Minimum tone duration is 100ms for SC91650, SC91651 or 91ms for SC91652; (8)Minimum intertone pause is 106ms for SC91650, SC91651 or 91ms for SC91652; (9)Uses 3.579545MHz crystal or ceramic resonator.
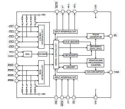
Diagrams

(Hong Kong)






