Product Summary
The PIC18F2620-I/SO is a High-Performance, Enhanced Flash, USB Microcontroller with 12-Bit A/D and nanoWatt Technology. The PIC18F2620-I/SO is a logical choice for many high-performance, power sensitive applications.
Parametrics
PIC18F2620-I/SO absolute maximum ratings: (1)Ambient temperature under bias: -40 to +125℃; (2)Storage temperature: -65 to +150℃; (3)Voltage on any pin with respect to VSS (except VDD and MCLR): -0.3V to (VDD + 0.3V); (4)Voltage on VDD with respect to VSS: -0.3V to +7.5V; (5)Voltage on MCLR with respect to VSS: 0V to +13.25V; (6)Total power dissipation: 1.0W; (7)Maximum current out of VSS pin: 300 mA; (8)Maximum current into VDD pin: 250 mA; (9)Input clamp current, IIK (VI < 0 or VI > VDD): ±20 mA; (10)Output clamp current, IOK (VO < 0 or VO > VDD): ±20 mA; (11)Maximum output current sunk by any I/O pin: 25 mA; (12)Maximum output current sourced by any I/O pin: 25 mA; (13)Maximum current sunk by all ports: 200mA; (14)Maximum current sourced by all ports: 200 mA.
Features
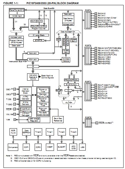
PIC18F2620-I/SO features: (1)USB V2.0 Compliant; (2)Low Speed (1.5 Mb/s) and Full Speed (12 Mb/s); (3)Supports Control, Interrupt, Isochronous and Bulk Transfers; (4)Supports up to 32 Endpoints (16 bidirectional); (5)1-Kbyte Dual Access RAM for USB; (6)On-Chip USB Transceiver with On-Chip Voltage Regulator; (7)Interface for Off-Chip USB Transceiver; (8)Streaming Parallel Port (SPP) for USB Streaming Transfers (40/44-pin devices only).
Diagrams

| Image | Part No | Mfg | Description | ![]() |
Pricing (USD) |
Quantity | ||||||||||||
|---|---|---|---|---|---|---|---|---|---|---|---|---|---|---|---|---|---|---|
![]() |
![]() PIC18F2620-I/SO |
![]() Microchip Technology |
![]() 8-bit Microcontrollers (MCU) 64KB 3968 RAM 25 I/O |
![]() Data Sheet |
![]()
|
|
||||||||||||
| Image | Part No | Mfg | Description | ![]() |
Pricing (USD) |
Quantity | ||||||||||||
![]() |
![]() PIC1018SCL |
![]() Other |
![]() |
![]() Data Sheet |
![]() Negotiable |
|
||||||||||||
![]() |
![]() PIC10F200 |
![]() Other |
![]() |
![]() Data Sheet |
![]() Negotiable |
|
||||||||||||
![]() |
![]() PIC10F200-E/MC |
![]() Microchip Technology |
![]() 8-bit Microcontrollers (MCU) 384B Flash16B RAM 4 I/O |
![]() Data Sheet |
![]()
|
|
||||||||||||
![]() |
![]() PIC10F200-E/OT |
![]() Other |
![]() |
![]() Data Sheet |
![]() Negotiable |
|
||||||||||||
![]() |
![]() PIC10F200-E/P |
![]() Microchip Technology |
![]() 8-bit Microcontrollers (MCU) U 579-PIC10F200-I/P |
![]() Data Sheet |
![]() Negotiable |
|
||||||||||||
![]() |
![]() PIC10F200-I/MC |
![]() Microchip Technology |
![]() 8-bit Microcontrollers (MCU) 0.375KB Fl 16B RAM |
![]() Data Sheet |
![]()
|
|
||||||||||||
(Hong Kong)










