Product Summary
The PIC16LF628A-I/SO is a FLASH-Based 8-Bit CMOS Microcontroller. The PIC16LF628A-I/SO employs an advanced RISC architecture. The device has enhanced core features, eight-level deep stack, and multiple internal and external interrupt sources. The separate instruction and data buses of the Harvard architecture allows a 14-bit wide instruction word with the separate 8-bit wide data. The two-stage instruction pipeline allows all instructions to execute in a single-cycle, except for program branches (which require two cycles). A total of 35 instructions (reduced instruction set) are available. Additionally, a large register set gives some of the architectural innovations used to achieve a very high performance. The PIC16LF628A-I/SO typically achieves a 2:1 code compression and a 4:1 speed improvement over other 8-bit microcontrollers in their class.
Parametrics
PIC16LF628A-I/SO absolute maximum ratings: (1)Ambient temperature under bias: -40℃ to +125℃; (2)Storage temperature: -65℃ to +150℃; (3)Voltage on VDD with respect to VSS: -0.3 to +6.5V; (4)Voltage on MCLR and RA4 with respect to VSS: -0.3 to +14V; (5)Voltage on all other pins with respect to VSS: -0.3V to VDD + 0.3V; (6)Total power dissipation: 800 mW; (7)Maximum current out of VSS pin: 300 mA; (8)Maximum current into VDD pin: 250 mA; (9)Input clamp current, IIK (VI < 0 or VI > VDD):± 20 mA; (10)Output clamp current, IOK (Vo < 0 or Vo >VDD): ± 20 mA; (11)Maximum output current sunk by any I/O pin: 25 mA; (12)Maximum output current sourced by any I/O pin: 25 mA; (13)Maximum current sunk by PORTA and PORTB: 200 mA; (14)Maximum current sourced by PORTA and PORTB: 200 mA.
Features
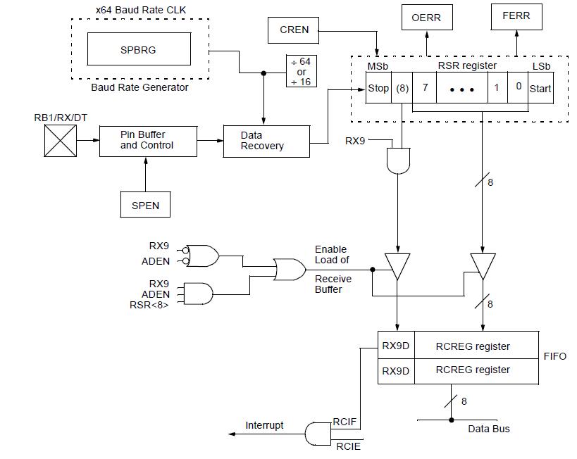
PIC16LF628A-I/SO features: (1)Operating speeds from DC - 20 MHz; (2)Interrupt capability; (3)8-level deep hardware stack; (4)Direct, Indirect and Relative Addressing modes; (5)35 single word instructions- All instructions single cycle except branches.
Diagrams

| Image | Part No | Mfg | Description | ![]() |
Pricing (USD) |
Quantity | ||||||||||||
|---|---|---|---|---|---|---|---|---|---|---|---|---|---|---|---|---|---|---|
![]() |
![]() PIC16LF628A-I/SO |
![]() Microchip Technology |
![]() 8-bit Microcontrollers (MCU) 3.5KB 224 RAM 16 I/O |
![]() Data Sheet |
![]()
|
|
||||||||||||
![]() |
![]() PIC16LF628A-I/SOG |
![]() Microchip Technology |
![]() 8-bit Microcontrollers (MCU) 3.5kBF 224RM 16I/O Lead Free Package |
![]() Data Sheet |
![]() Negotiable |
|
||||||||||||
(Hong Kong)









