Product Summary
The PIC16F716-I/P is an 8-bit Flash-based Microcontroller with A/D Converter and Enhanced Capture/Compare/PWM.
Parametrics
PIC16F716-I/P absolute maximum ratings: (1)Ambient temperature under bias: -55℃ to +125℃; (2)Storage temperature: -65℃ to +150℃; (3)Voltage on any pin with respect to VSS (except VDD, MCLR, and RA4): -0.3V to (VDD +0.3V); (4)Voltage on VDD with respect to VSS: -0.3V to +7.5V; (5)Voltage on MCLR with respect to VSS: 0V to +13.25V; (6)Voltage on RA4 with respect to Vss: 0V to +8.5V; (7)Total power dissipation (PDIP and SOIC): 1.0W; (8)Total power dissipation (SSOP): 0.65W; (9)Maximum current out of VSS pin: 300 mA; (10)Maximum current into VDD pin: 250 mA; (11)Input clamp current, IIK (VI < 0 or VI > VDD): ±20 mA; (12)Output clamp current, IOK (VO < 0 or VO > VDD): ±20 mA; (13)Maximum output current sunk by any I/O pin: 25 mA.
Features
PIC16F716-I/P features: (1)High-performance RISC CPU; (2)Only 35 single-word instructions to learn All single-cycle instructions except for program branches which are two-cycle; (3)Operating speed: DC - 20 MHz clock input; DC - 200 ns instruction cycle; (4)Interrupt capability(up to 7 internal/external interrupt sources); (5)8-level deep hardware stack; (6)Direct, Indirect and Relative Addressing modes.
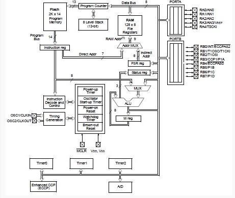
Diagrams

| Image | Part No | Mfg | Description | ![]() |
Pricing (USD) |
Quantity | ||||||||||||
|---|---|---|---|---|---|---|---|---|---|---|---|---|---|---|---|---|---|---|
![]() |
![]() PIC16F716-I/P |
![]() Microchip Technology |
![]() 8-bit Microcontrollers (MCU) 3.5KB 128 RAM 13 I/O |
![]() Data Sheet |
![]()
|
|
||||||||||||
![]() |
![]() PIC16F716-I/P4AP |
![]() Other |
![]() |
![]() Data Sheet |
![]() Negotiable |
|
||||||||||||
(Hong Kong)










