Product Summary
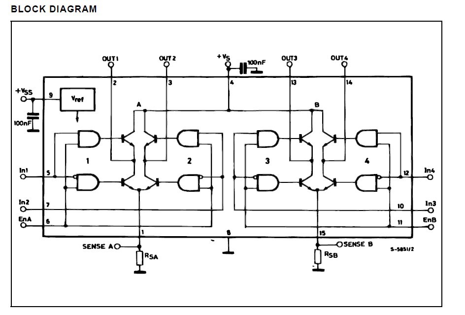
The L298P is a dual full-bridge driver. It is an integrated monolithic circuit in a 15- lead Multiwatt and PowerSO20 packages. It is a high voltage, high current dual full-bridge driver designed to accept standard TTL logic levels and drive inductive loads such as relays, solenoids, DC and stepping motors. Two enable inputs are provided to enable or disable the device independently of the input signals. The emitters of the lower transistors of each bridge are connected together and the corresponding external terminal can be used for the connection of an external sensing resistor. An additional supply input is provided so that the logic works at a lower voltage.
Parametrics
L298P absolute maximum ratings: (1)power supply: 50V; (2)logic supply voltage: 7V; (3)input and enable voltage: -0.3 to 7V; (4)peak output current: 3A; (5)sensing voltage: -1 to 2.3V; (6)total power dissipation: 25W; (7)junction operating temperature: -25 to 130℃; (8)storage and junction temperature: -40 to 150℃.
Features
L298P features: (1)OPERATING SUPPLY VOLTAGE UP TO 46 V; (2)TOTAL DC CURRENT UP TO 4 A; (3)LOW SATURATION VOLTAGE; (4)OVERTEMPERATURE PROTECTION; (5)LOGICAL "0" INPUT VOLTAGE UP TO 1.5 V (HIGH NOISE IMMUNITY).
Diagrams

| Image | Part No | Mfg | Description | ![]() |
Pricing (USD) |
Quantity | ||||||||||||
|---|---|---|---|---|---|---|---|---|---|---|---|---|---|---|---|---|---|---|
![]() |
![]() L298P |
![]() STMicroelectronics |
![]() Motor / Motion / Ignition Controllers & Drivers Dual Full Bridge |
![]() Data Sheet |
![]()
|
|
||||||||||||
![]() |
![]() L298P013TR |
![]() STMicroelectronics |
![]() Other Power Management 5.1 to 40V Step-Down |
![]() Data Sheet |
![]()
|
|
||||||||||||
(Hong Kong)









