Product Summary
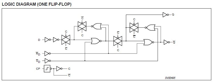
The 74LVC74AD,112 is a dual d-type flip-flop, low-voltage Si-gate CMOS device and superior to most advanced CMOS compatible TTL families. The 74LVC74AD,112 is a dual positive edge triggered, D-type flip-flop with individual data (D) inputs, clock (CP) inputs, set (SD ) and (RD ) inputs; also complementary Q and Q outputs.
Parametrics
74LVC74AD,112 absolute maximum ratings: (1)DC supply voltage, VCC: 0.5 V to +6.5V; (2)DC input diode current, VI<0, IIK: 50mA; (3)DC input voltage, VI: 0.5V to +5.5V; (4)DC output diode current, VO>VCC or VO<0, IOK: 50mA; (5)DC output voltage, VO: 0.5 to V+0.5V; (6)Storage temperature range, Tstg: 65°C to +150℃; (7)Power dissipation per package, PTOT: 500 mW.
Features
74LVC74AD,112 features: (1)Wide supply voltage range of 1.2V to 3.6V; (2)In accordance with JEDEC standard no. 8-1A; (3)Inputs accept voltages up to 5.5V; (4)CMOS low power consumption; (5)Direct interface with TTL levels; (6)Output drive capability 50 transmission lines @ 85℃.
Diagrams

| Image | Part No | Mfg | Description | ![]() |
Pricing (USD) |
Quantity | ||||||||||||
|---|---|---|---|---|---|---|---|---|---|---|---|---|---|---|---|---|---|---|
![]() |
![]() 74LVC74AD,112 |
![]() NXP Semiconductors |
![]() Flip Flops DUAL D-TYPE POSITIVE |
![]() Data Sheet |
![]()
|
|
||||||||||||
| Image | Part No | Mfg | Description | ![]() |
Pricing (USD) |
Quantity | ||||||||||||
![]() |
![]() 74LV00 |
![]() Other |
![]() |
![]() Data Sheet |
![]() Negotiable |
|
||||||||||||
![]() |
![]() 74LV00BQ,115 |
![]() NXP Semiconductors |
![]() Gates (AND / NAND / OR / NOR) 3.3V QUAD 2-INPUT |
![]() Data Sheet |
![]()
|
|
||||||||||||
![]() |
![]() 74LV00D |
![]() Other |
![]() |
![]() Data Sheet |
![]() Negotiable |
|
||||||||||||
![]() |
![]() 74LV00D,112 |
![]() NXP Semiconductors |
![]() Gates (AND / NAND / OR / NOR) QUAD 2-INPUT NAND |
![]() Data Sheet |
![]()
|
|
||||||||||||
![]() |
![]() 74LV00D,118 |
![]() NXP Semiconductors |
![]() Gates (AND / NAND / OR / NOR) QUAD 2-INPUT NAND |
![]() Data Sheet |
![]()
|
|
||||||||||||
![]() |
![]() 74LV00DB,112 |
![]() NXP Semiconductors |
![]() Gates (AND / NAND / OR / NOR) QUAD 2-INPUT NAND |
![]() Data Sheet |
![]()
|
|
||||||||||||
(Hong Kong)











